Fill the BIM cart from the product catalogue

Uponor Ecoflex coupling PN6

- Connection of PE-Xa or PE pipe
- 6 bar, SDR 11
- R type tapered thread, requires suitable sealing medium to be applied
- Cannot be used with Wipex fittings!
- DZR - dezincification resistant brass

Uponor Ecoflex coupling PN6

Item details

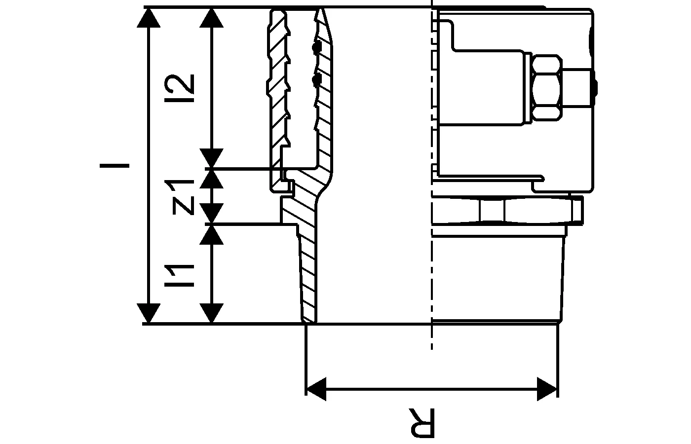
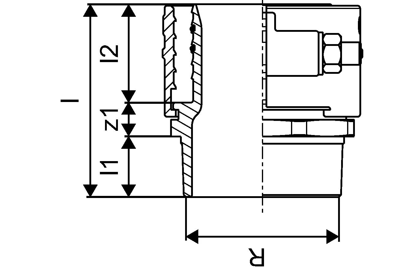
Uponor Ecoflex coupling PN6 125x11,4-R4
Uponor Ecoflex coupling PN6 140x12,7-R4
Uponor Ecoflex coupling PN6 160x14,6-R5

Documents

Installation Manual
2 KB1044657

Installation Manual RS (1044657)

Installation Manual
192 B1085019

Installation Manual Ecoflex coupling & weldable adapter (1085019)

Installation Report
137 B1120219

Installation Report Ecoflex pressure test water pipes (1120219)

About

Specification

- Wipex fittings in corrosion-resistant brass, dezincification based on EN ISO 6509 with stainless steel screw.
- Sizes 25-110mm, O-ring sealing between Wipex coupling and base fitting
- Sizes 125-160mm, threads must be sealed using a suitable sealing medium
- Bolt set for couplers in stainless steel with brass washer
- Pre-open sleeve design with assembled support part for the dimension 63-110mm.

Application

- Fittings for pipe systems Thermo, Aqua, Quattro, Supra, Supra PLUS and Thermo HP
- Connection of PE and PE-Xa carrier pipes to couplers with cylindrical inch male thread
- Max. operating temperature 95°C

Certification

UK Reg4 approval
- WRAS or
- KIWA
to meet the requirements of the Water Supply (Water Fittings) Regulations 1999

Product drawings

1078368_ZMD
1078368
140 B
1121647_ZMD
1121647
140 B
1121648_ZMD
1121648
140 B
1078368_REN
1078368
498 B
1078368_REN
1078368
159 B
1121647_REN
1121647
119 B
1121648_REN
1121648
117 B
1078368_LAB
1078368
174 B
1121647_LAB
1121647
174 B
1121648_LAB
1121648
174 B