Fill the BIM cart from the product catalogue
Our customer service email address has changed - Overview

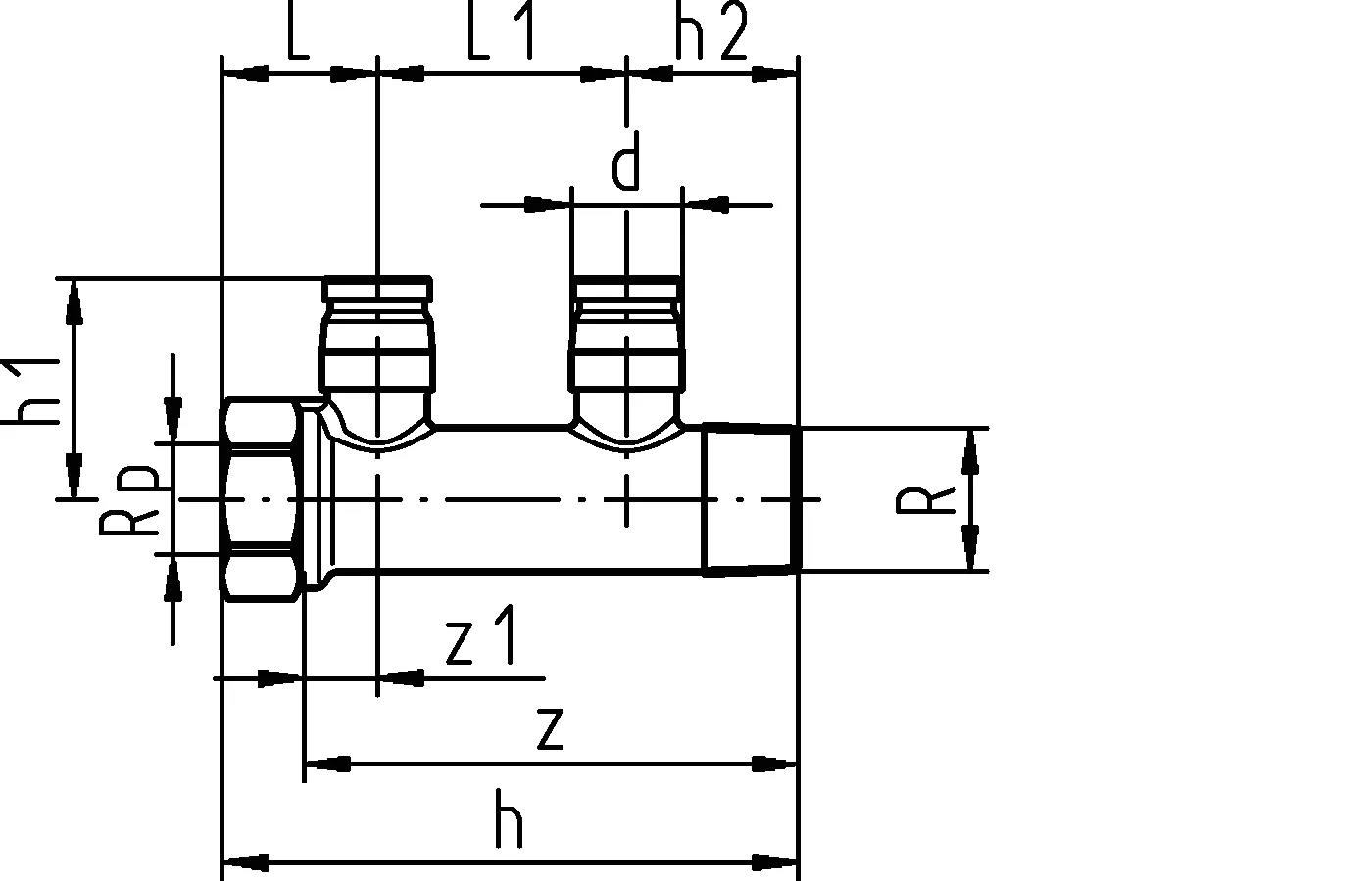
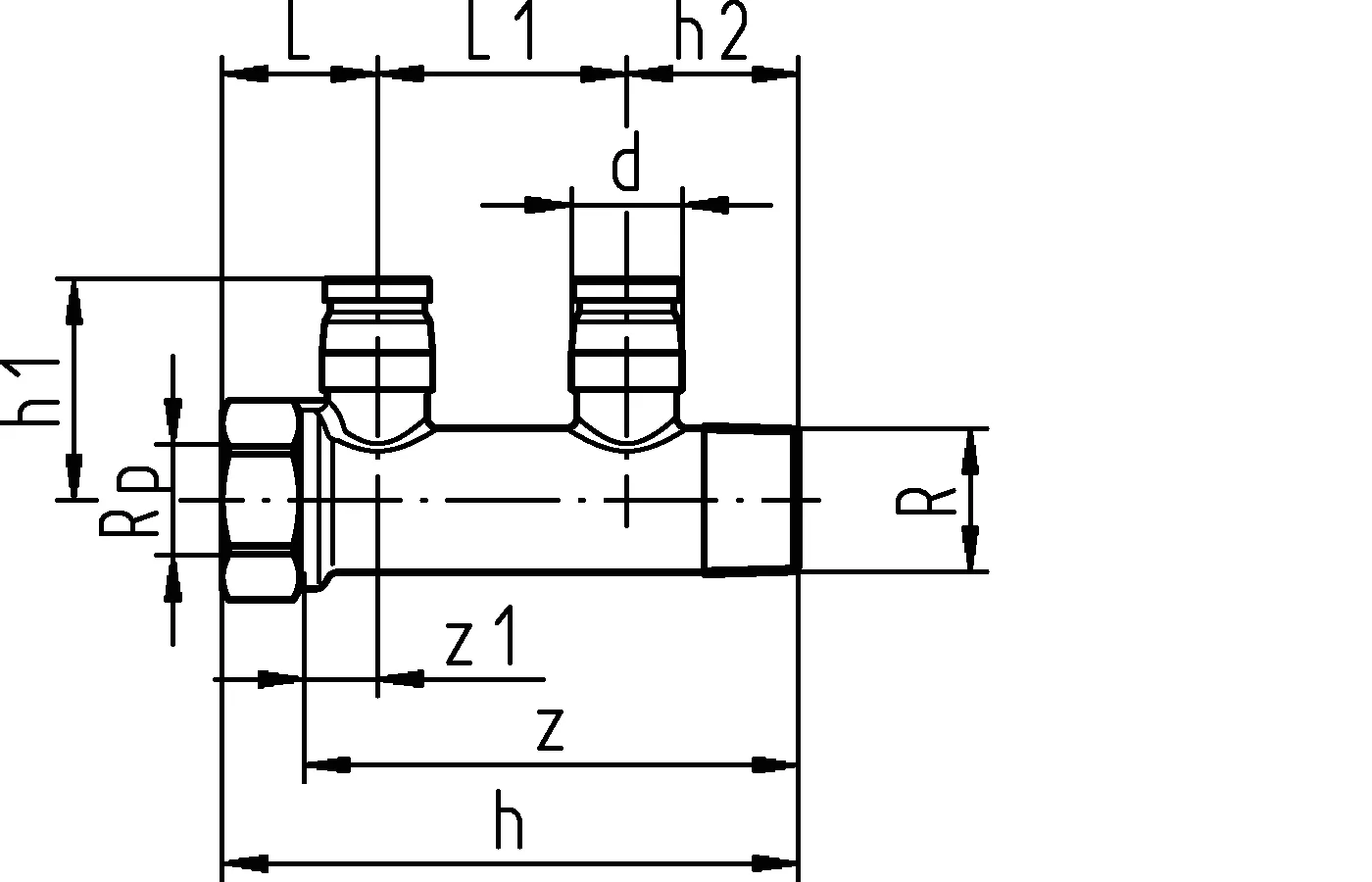
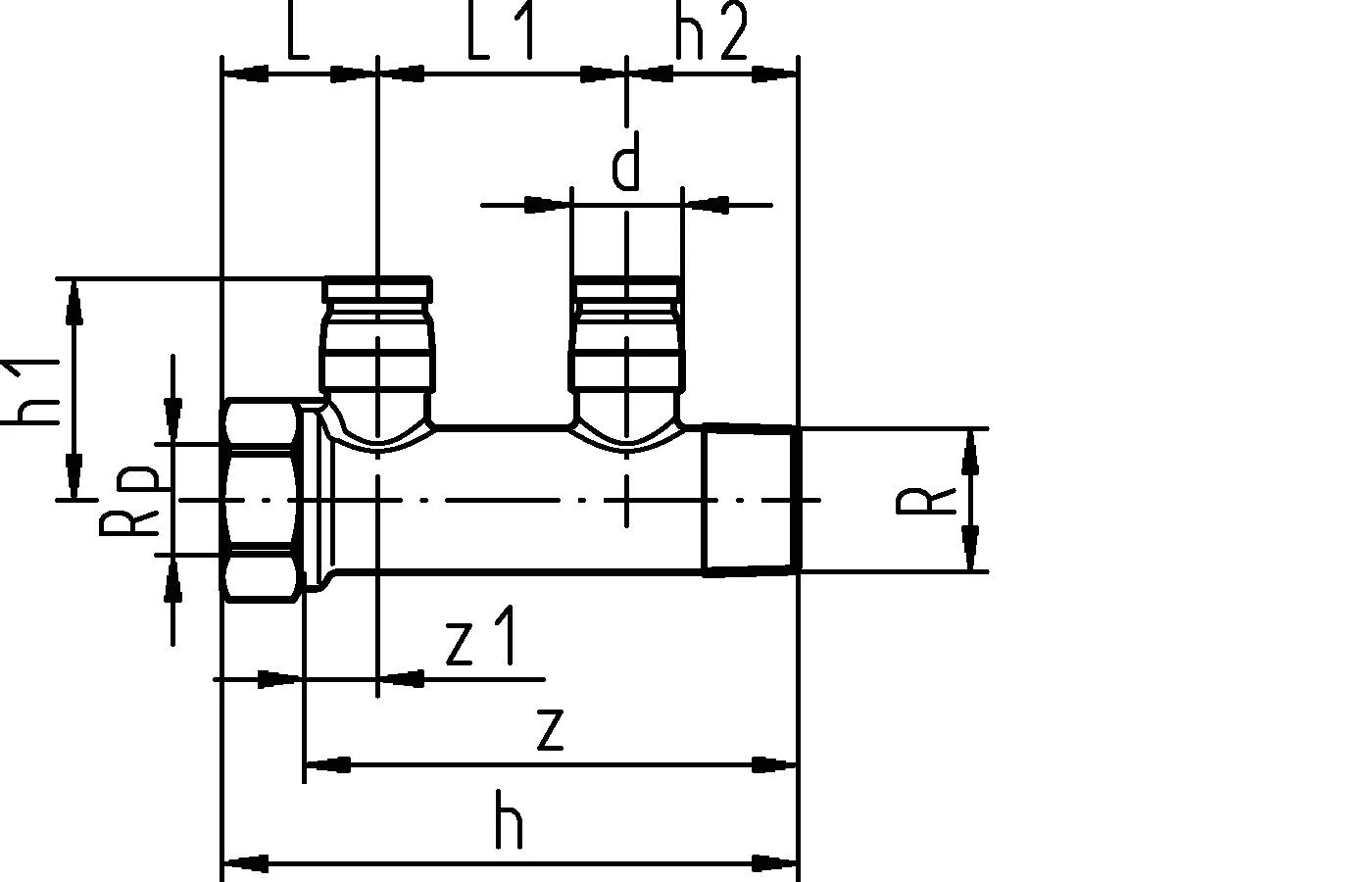
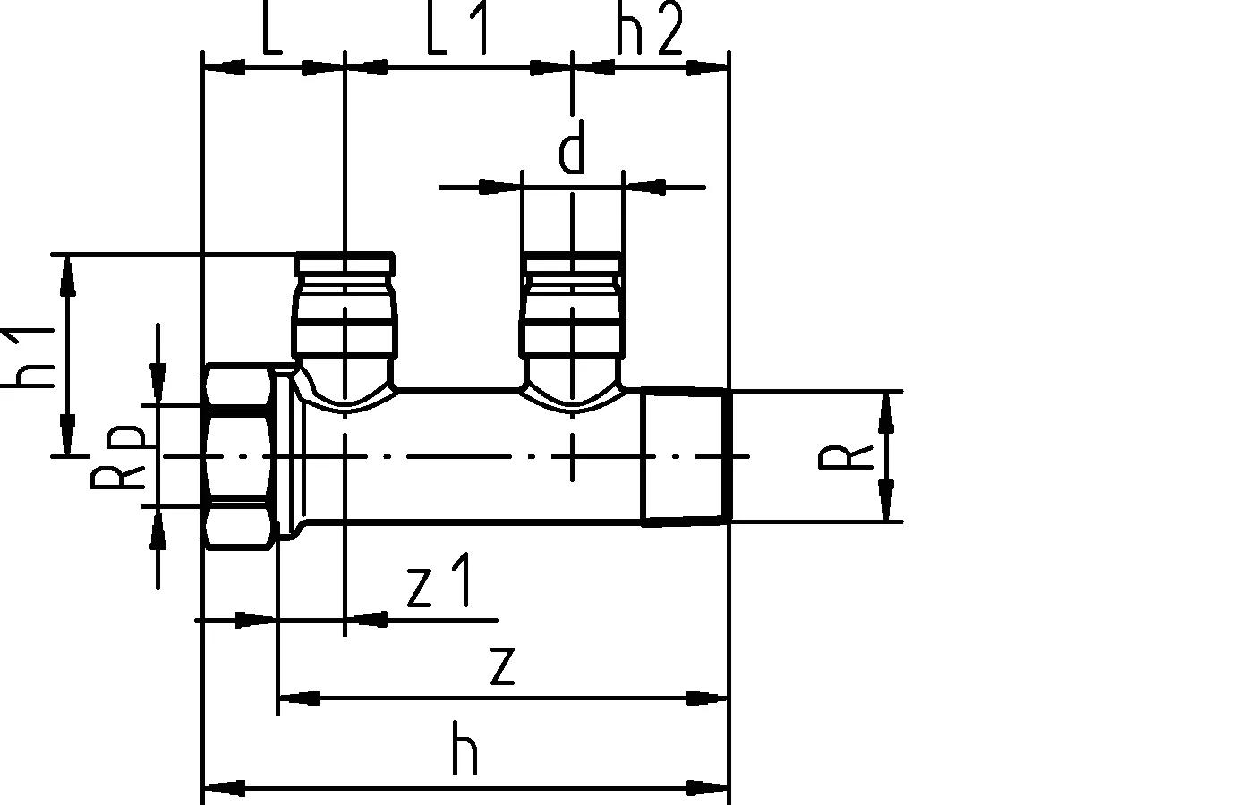
GF iFIT manifold

Material: brass, dezincification resistant 
Connection: female thread, male thread
- PN 16 at 20°C

GF iFIT manifold

Item details

GF iFIT manifold 2x 16/20-3/4"
GF iFIT manifold 3x 16/20-3/4"

Documents

Approval Certificate
105 B0000122202

GF JRG CER iFit SYS MECH ABS 25-0231193-PDA Master EN (0000122202)

Approval Certificate
566 B0000115588

GF JRG CER iFit SYS MECH BV 46408_D0 BV Master EN (0000115588)

Approval Certificate
1 KB0000115590

GF JRG CER iFit SYS MECH LR LR2023631TA Master EN (0000115590)

About

Specification

- The iFIT system is subject to constant inspection by internal and external bodies.
- These inspections range from quality assurance during production to ISO certification for
- environmental and process safety. The iFIT system meets the requirements for the most
- important applications in the building technology and is subject to constant monitoring
- by the licensing offices for drinking water and heating installations on land and sea.

Application

- Application area Cold and hot water, HVAC, greywater
-
- Installation Surface and flush-mounted pipes, pipe-in-pipe technology

Certification

- 5,1

Product drawings

1151230_ZMD
1151230
136 B
1151231_ZMD
1151231
136 B
1151230_PHO
1151230_PHO
20 B
1151231_PHO
1151231_PHO
20 B