Täytä BIM-ostoskori tuoteluettelosta
Asiakaspalvelun sähköpostiosoite on muuttunut - Yhteystiedot

Uponor Ventilation INS eristetty tulppa

- Esieristetty ilmanvaihtojärjestelmän yhde
- Pysyvästi antistaattinen ja likaa hylkivä sisäpinta
- Raaka-aine polypropeeni
- Kehitetty yhdessä Allergia- ja Astmaliiton kanssa
- Puhtausluokitus M1

Uponor Ventilation INS eristetty tulppa

Tuotetiedot

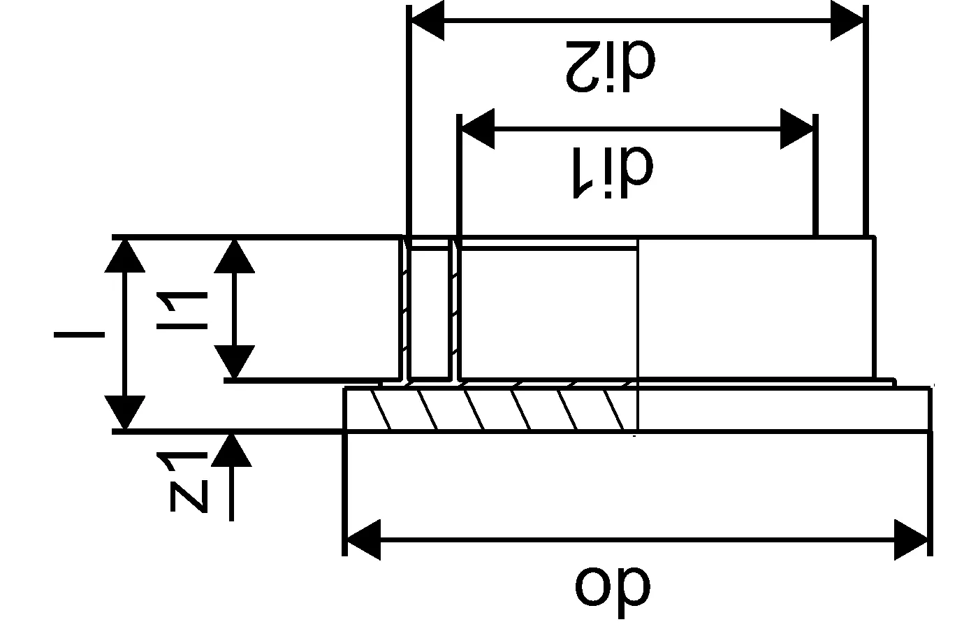
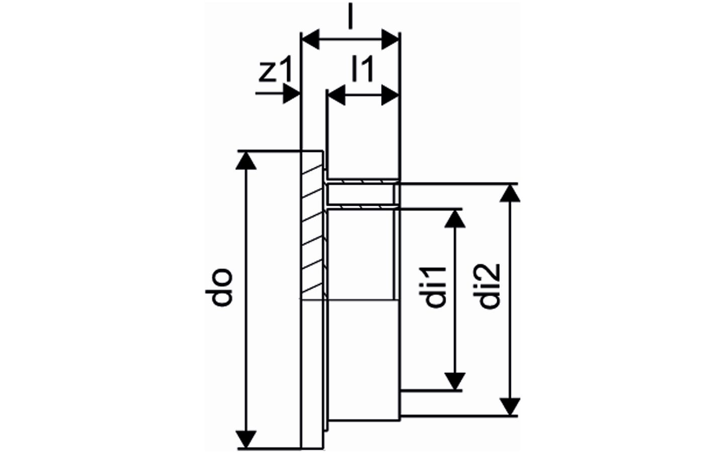
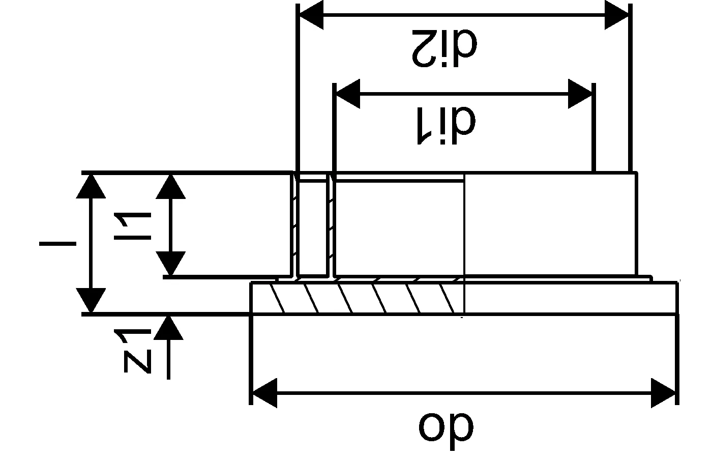
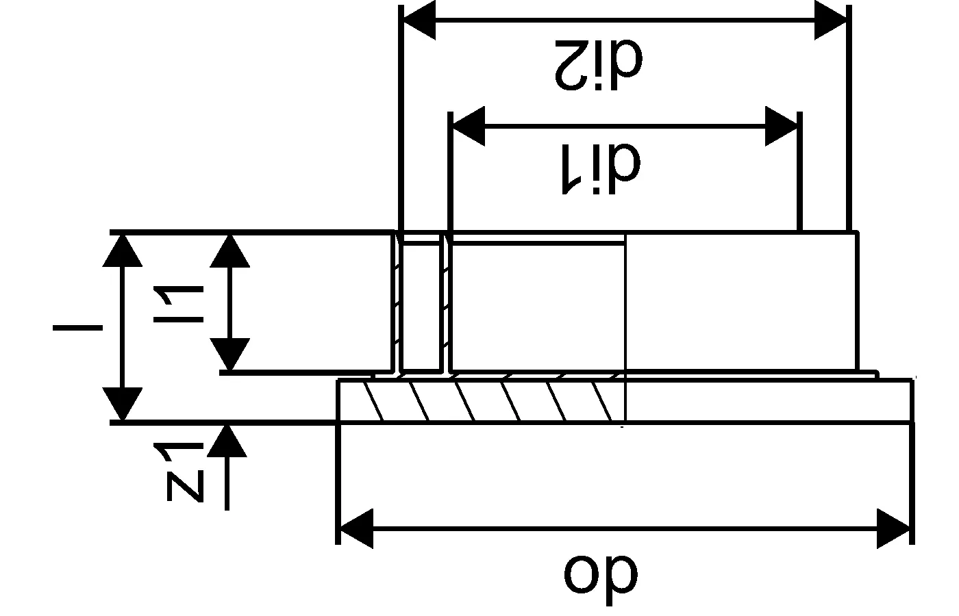
Uponor Ventilation INS eristetty tulppa 100mm
Uponor Ventilation INS eristetty tulppa 125mm
Uponor Ventilation INS eristetty tulppa 160-125mm

Dokumentit

Työselitysmallit
3 KB1142257

Tekniset tiedot Ventilation system (1142257)

Tietoa

Erittely

- Raaka-aineena on hajuton ja myrkytön polypropeeni
- Eristemateriaalina 15mm polyeteenivaahto
- Kanavien ja yhteiden väri on musta, eristeen harmaa
- Kanavien päät on tulpattu ja yhteet on yksittäispakattu muovipusseihin likaantumisen estämiseksi
- Kanavan sisäpinta ja yhteet ovat pysyvästi antistaattisia
- Kanavan ulkopinnan antistaattinen käsittely pitää ne puhtaina myös varastoinnin ja asennuksen ajan
- Ainutlaatuinen liitostekniikka takaa tiiviysluokan D
- Yhteiden mukana toimitetaan tarvittava määrä kiristysnauhoja liitoksien tiivistämiseksi

Sovellus

- Ilmanvaihdon kondenssieristetyt kanavat ja yhteet
- Kehitetty yhteistyösä Allergia- ja Astmaliiton kanssa, M1-puhtausluokka

Sertifiointi

- Eurofins (VTT) tuotesertifikaatti no. EUFI29-19006237-C

Tuotekuvat

1068092_ZMD
1068092
122 B
1068092_ZMD
1068092
64 B
1068093_ZMD
1068093
122 B
1068094_ZMD
1068094
122 B
1068092_REN
1068092
142 B
1068092_REN
1068092
471 B
1068092_REN
1068092
81 B
1068093_REN
1068093
142 B
1068094_REN
1068094
142 B
1068093_LAB
1068093
90 B
1068094_LAB
1068094
90 B