Töltse meg a BIM kosarat a termékkatalógusból
Ügyfélszolgálati e-mail címünk megváltozott – Áttekintés

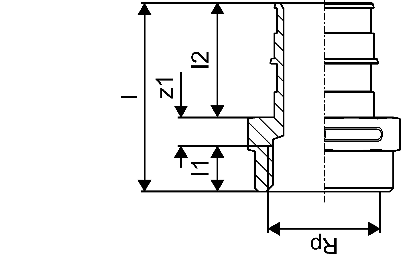
Uponor Q&E belsőmenetes csatlakozó PL

Uponor Q&E belsőmenetes csatlakozó PL

Termék adatok

Uponor Q&E belsőmenetes csatlakozó PL 32-G1"FT
Uponor Q&E belsőmenetes csatlakozó PL 40-G1 1/4"FT

Dokumentumok

Telepítési útmutató
1 KB1087004

Uponor Telepítési útmutató Q&E VLD 40-75 (1087004)

Telepítési útmutató
1 KB1187006

IM PE-Xa pipe INT 1187006 v1

Telepítési útmutató
1 KB1121763

Telepítési útmutató Q&E 9,9-50 (1121763)

Leírás

Specifikáció

- Q&E szerelvények és gyűrűk Uponor Pex csövekhez
- A fémszerelvények kiváló minőségű sárgarézből készülnek
- A műanyag szerelvények polifenilszulfonból készülnek.
- A Q&E gyűrűket külön kell megrendelni, ha nem szerepel másként

Alkalmazás

-EN 10226-1 szerinti külső és belső menetek

Termékrajzok

1047866_LAB
1047866
112 B
1047867_LAB
1047867
112 B
1047866_REN
1047866
445 B
1047866_REN
1047866
139 B
1047867_REN
1047867
139 B
1047866_ZMD
1047866
120 B
1047867_ZMD
1047867
121 B