Töltse meg a BIM kosarat a termékkatalógusból
Ügyfélszolgálati e-mail címünk megváltozott – Áttekintés

Uponor Q&E gyűrű ütközővel white NKB

Uponor Q&E gyűrű ütközővel white NKB

Termék adatok

Uponor Q&E gyűrű ütközővel white NKB 18

Dokumentumok

Telepítési útmutató
1 KB1071974

Telepítési útmutató Q&E NKB (1071974)

Telepítési útmutató
1 KB1121763

Telepítési útmutató Q&E 9,9-50 (1121763)

Technikai információ
1 KB1118689

Műszaki információk PE-Xa piping systems (1118689)

Leírás

Specifikáció

- Q&E szerelvények és gyűrűk Uponor Pex csövekhez
- A fémszerelvények kiváló minőségű sárgarézből készülnek
- A műanyag szerelvények polifenilszulfonból készülnek.
- A Q&E gyűrűket külön kell megrendelni, ha nem szerepel másként

Alkalmazás

-EN 10226-1 szerinti külső és belső menetek

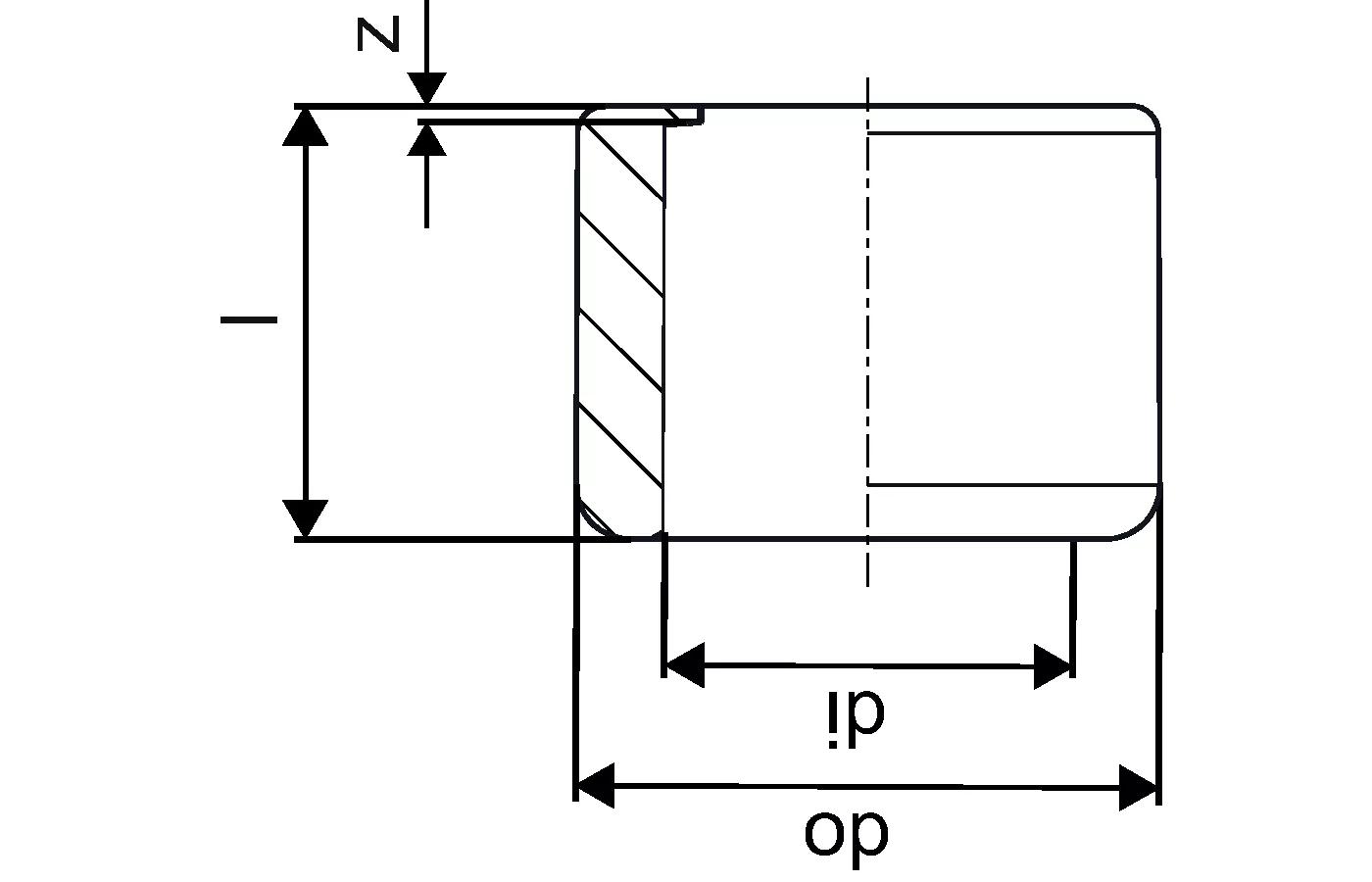
Termékrajzok

1025659_ZMD
1025659
95 B
1025659_REN
1025659
44 B
1025659_LAB
1025659
86 B