Vul het BIM winkelmandje vanuit de productcatalogus

Uponor Gas veiligheidsverdeler inclusief gasstromingsbeveiliging

- Materiaal: ongecoat messing
- Voor een hoge veiligheid is elke aansluiting voorzien van een gasstromingsbeveiliging.

Uponor Gas veiligheidsverdeler inclusief gasstromingsbeveiliging

Artikeldetails

Uponor Gas veiligheidsverdeler inclusief gasstromingsbeveiliging Rp3/4"FT 2xRp3/4"FT c/c50mm
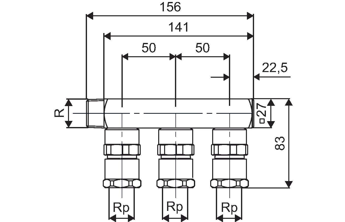
Uponor Gas veiligheidsverdeler inclusief beveiligingsschakelaar Rp3/4"FT 3xRp3/4"FT c/c50mm

Documenten

Installatiehandleiding
501 B1086898

Installatiehandleiding GAS manifold (1086898)

Technische informatie
21 KB1119849

Technische gegevens GAS SACP piping system (1119849)

Over

Specificatie

- Speciale geelgekleurde GAS-meerlagenleiding, SACP 20 - 32 mm
- Speciale GAS perskoppelingen met aardgasbestendige O-ringen en gele aanslagringen

Toepassing

- Systeem voor aardgasinstallaties binnen gebouwen
- Het Uponor meerlagenleidingsysteem voor gasinstallatie mag NIET in België en Luxemburg toegepast worden.

Certificaten

- Gascertificering volgens Gasteq QA 198
- Gastec-certificaatnummer 65838/04

Producttekeningen

1086826_LAB
1086826
95 B
1086827_LAB
1086827
95 B
0000029450_00_1086827_REN
0000029450
115 B
1086826_REN
1086826
145 B
1086827_REN
1086827
409 B
1086827_REN
1086827
145 B
1086826_ZMD
1086826
153 B
1086827_ZMD
1086827
165 B