Vul het BIM winkelmandje vanuit de productcatalogus

Uponor Ecoflex vezelcementbuis DWD

- Voor het storten in waterdicht beton
- DWD = waterdrukdicht
- Alternatief voor een WU-betonkernboorgat
- Voor het gebruik van een DWD-wanddoorvoer

Uponor Ecoflex vezelcementbuis DWD

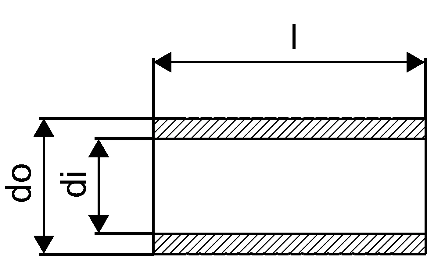
Artikeldetails

Uponor Ecoflex vezelcementbuis DWD 68
Uponor Ecoflex vezelcementbuis DWD 140
Uponor Ecoflex vezelcementbuis DWD 175
Uponor Ecoflex vezelcementbuis DWD 200

Documenten

Installatiehandleiding
2 KB1022113

Installatiehandleiding Ecoflex wall seal PWP (1022113)

Technische informatie
10 KB1120217

Technische gegevens Ecoflex piping systems (1120217)

Over

Specificatie

- Alle systeemaccessoires zijn corrosiebestendig

Toepassing

- Alle Ecoflex systeemaccessoires zijn ontworpen voor ondergrondse installatie

Producttekeningen

1007368_ZMD
1007368
187 B
1007370_ZMD
1007370
189 B
1007371_ZMD
1007371
187 B
1007372_ZMD
1007372
187 B
1007368_LAB
1007368
121 B
1007370_LAB
1007370
121 B
1007371_LAB
1007371
121 B
1007372_LAB
1007372
121 B
1007368_REN
1007368
147 B
1007370_REN
1007370
522 B
1007370_REN
1007370
147 B
1007371_REN
1007371
147 B