Vul het BIM winkelmandje vanuit de productcatalogus

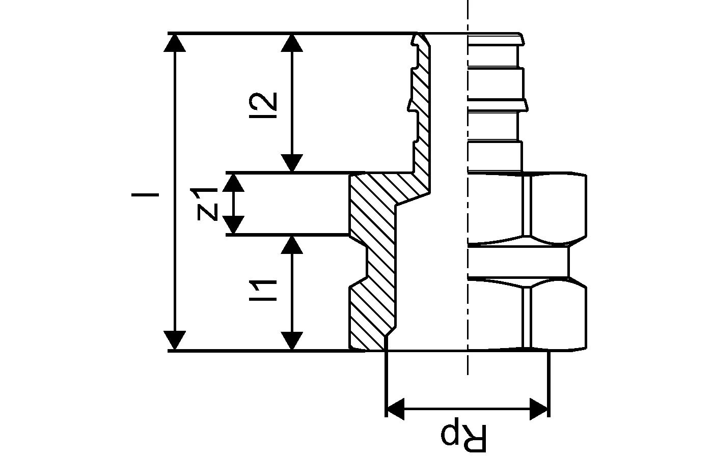
Uponor Q&E schroefbus PL

Uponor Q&E schroefbus PL

Artikeldetails

Uponor Q&E schroefbus PL 12-Rp1/2"FT
Uponor Q&E schroefbus PL 25-Rp3/4"FT
Uponor Q&E schroefbus PL 25-Rp1"FT

Documenten

Installatiehandleiding
1 KB1121763

Installatiehandleiding Q&E 9,9-50 (1121763)

Technische informatie
1 KB1118689

Technische gegevens PE-Xa piping systems (1118689)

Certificaat van goedkeuring
180 B1135447

UPONOR CER ECOFLEX VIP AQUA SYS MECH KIWA K109659-02 NL EN (1135447)

Certificaat van goedkeuring
134 B1088355

Uponor CER Q&E SYS MECH KOMO K 46005-03 NL NL (1088355)

Certificaat van goedkeuring
105 B1088139

UPONOR CER WIPEX FIT MECH KOMO K12062-10 NL EN (1088139)

Over

Specificatie

- Q&E fittingen en borgringen voor Uponor PE-Xa leidingen
- Metalen fittingen van corrosiebestendig messing
- Kunststof fittingen van PPSU (polyfenylsulfon)
- Q&E borgveren moeten apart besteld worden
- Uitwendige en inwendige schroefdraad volgens DIN EN 10226-1

Toepassing

- Toepassingsgebied voor drinkwater: max. toegestane continue bedrijfstemperatuur van 0 °C tot 70 °C bij
max. continue bedrijfsdruk van 10 bar, kortstondige fouttemperatuur van 95 °C voor maximaal 100 bedrijfsuren.
- Toepassingsgebied verwarming: toepassingsklasse 4 en 5/6 bar, berekeningstemperatuur: 80 °C,
Maximale bedrijfstemperatuur 90 °C, fouttemperatuur 100 °C voor maximaal 100 bedrijfsuren.

Producttekeningen

1023012_ZMD
1023012
138 B
1023013_ZMD
1023013
138 B
1058464_ZMD
1058464
138 B
1023012_LAB
1023012
97 B
1023013_LAB
1023013
97 B
1058464_LAB
1058464
97 B
1023012_REN
1023012
70 B
1023013_REN
1023013
85 B
1058464_REN
1058464
77 B