Vul het BIM winkelmandje vanuit de productcatalogus

Uponor Q&E schroefverbindingsknie bi. PL

Uponor Q&E schroefverbindingsknie bi. PL

Artikeldetails

Uponor Q&E schroefverbindingsknie bi. PL 12-G3/8"SN

Documenten

Installatiehandleiding
1 KB1121763

Installatiehandleiding Q&E 9,9-50 (1121763)

Technische informatie
1 KB1118689

Technische gegevens PE-Xa piping systems (1118689)

Over

Specificatie

- Q&E fittingen en borgringen voor Uponor PE-Xa leidingen
- Metalen fittingen van corrosiebestendig messing
- Kunststof fittingen van PPSU (polyfenylsulfon)
- Q&E borgveren moeten apart besteld worden
- Uitwendige en inwendige schroefdraad volgens DIN EN 10226-1

Toepassing

- Toepassingsgebied voor drinkwater: max. toegestane continue bedrijfstemperatuur van 0 °C tot 70 °C bij
max. continue bedrijfsdruk van 10 bar, kortstondige fouttemperatuur van 95 °C voor maximaal 100 bedrijfsuren.
- Toepassingsgebied verwarming: toepassingsklasse 4 en 5/6 bar, berekeningstemperatuur: 80 °C,
Maximale bedrijfstemperatuur 90 °C, fouttemperatuur 100 °C voor maximaal 100 bedrijfsuren.

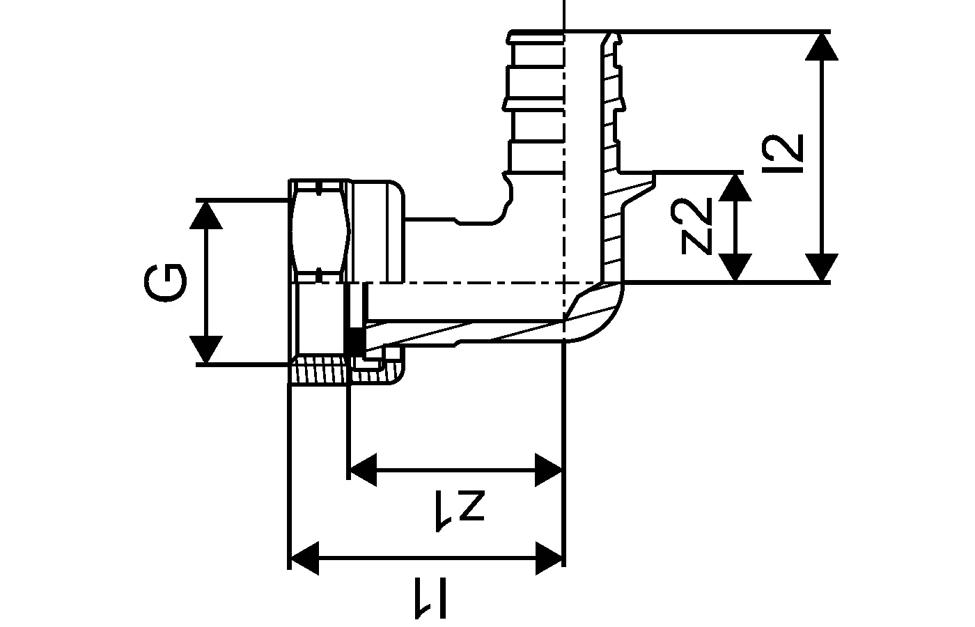
Producttekeningen

1058473_ZMD
1058473
124 B
1058473_LAB
1058473
107 B
1058473_REN
1058473
144 B