Support för Pump- och shuntgrupper
Shuntmodeller och regulatorer
Push 12 - Kapilärrörstermostat
(Kapacitet ca 40m² med 2x20mm Comfortpipe Plus och 50W/m²)
RSK 2988788
(Ersättningspump/drivsida har RSK 2988791)
Klicka på länken för att öppna videon i YouTube alt. länken för dokument.
Push 12 - Trådlös termostat
(Kapacitet ca 40m² med 2x20mm Comfortpipe Plus och 50W/m²)
(Ersättningspump/drivsida har RSK 2988791)
Klicka på länken för att öppna videon i YouTube alt. länken för dokument.
Push 12 med Elpatron - Trådlös termostat
(Kapacitet ca 40m² med 2x20mm Comfortpipe Plus och 50W/m²)
RSK 2988790
(Ersättningspump/drivsida har RSK 2988791)
Klicka på länken för att öppna videon i YouTube alt. länken för dokument.
Move X-157
Move Pro X-159 (Utgått)
Klicka på länken för att öppna önskat dokument.
Vanliga frågor och svar (FAQ)
FAQ - Push 12
Som alla värmesystem behöver golvvärmesystem en reglering av vattentemperatur och flöde. Om golvvärmen byggs ihop med ett annat värmesystem, t.ex radiatorvärme, behövs i regel pump- och shuntgruppen eftersom golvvärmen oftast kräver större flöde och lägre vattentemperatur än andra värmesystem.
Push 12 som beskrivs i denna flik tillämpas främst i renoveringar där man vill göra om ett rum till golvärme istället för att ha t.ex. en radiator i rummet.
Man kan enkelt ansluta Push 12ans radiatorkoppling mot de befintliga rören för radiatorn eller om man väljer dra fram en ny matning.
Termostatdelen på ventilen ställs in på en lämplig temperatur för golvvärmesystemet.
Reglaget bör justeras då de yttre temperaturförhållandena ändras.
Samma gäller för Uponor ElPush 12 och Push 12 med trådlös reglering men här ställs rumstemperaturen in med den digitala rumstermostaten. Nedan visas den ungefärliga framledningstemperaturen vid inställt värde (1 – 8) på ventilen.

Det finns två inställningsskruvar i radiatorkopplet.
- Den yttre, 10mm insex (4mm på äldre modeller), Öppnar/Stänger radiatorkopplet vid t.ex. pumpbyte.
- Den inre, 4mm insex (2,5mm på äldre modeller), Ställer om mellan ett- och tvårörssystem.
Tvårörssytem

Vid tvårörssytem är inre 4mm inskruvad i botten medan 10mm är utskruvad max.

Principschema Tvårörssystem

4mm+2,5mm insex 10mm+4mm insex
Ettrörssytem

Vid ettrörssytem är inre 4mm utskruvad så den ligger an den yttre 10mm anslutningen som är utskruvad max.

Principschema Ettrörssystem

Placering av lampa på reläet
På din termostat T-169/T-149
Håll in knapparna ^ och v på termostaten tills en antennsymbol visas på displayen, då kan ni släppa. En "OK" bock visas på displayen.

Placering av knappar på T-169
På din termostat T-166
Håll in knapparna - och + på termostaten tills en antennsymbol visas på displayen, då kan du släppa.

Placering av knappar på T-166
På din termostat T-165/T-145
Håll in registreringsknappen på termostaten (liten avlång rektangel med en kula på). Släpp knappen så fort lysdioden nere till höger på framsidan av termostaten börjar blinka rött.

Placering av knappar på T-165/T-145
Lampan längst till höger på reläet blinkar snabbt för att sedan slockna. Nu är termostaten registrerad.
Handsymbolen på reläet (lampa längst till vänster) lyser med rött fast sken när termostaten kallar på värme och är släckt när den inte kallar på värme.

Placering av lampor på reläet
Ni kan även välja att fabrikåterställa er termostat för att säkerställa att alla inställningar blir "original".
På din termostat T-169/T-149
Håll in alla knapparna på sidan och släpp dessa när displayen startar om.
Placering av knappar på T-169/T-149
På din termostat T-166
Håll in knapparna - och + samt OK och släpp dessa när displayen startar om.
Placering av knappar på T-166
På din termostat T-165/T-145
Behöver inte fabrikåterställas då den inte har några menyer.
Nu kan ni installera om termostaten till M-161/X-162 relät och därmed säkerställt att allt är som vid leverans.
Se fråga: "Installera termostat till M-161/X-162"

- Lampan på mottagarenheten längst till vänster (C) lyser rött när termostaten i rummet kallar på värme. När den inte kallar på värme så är den släckt.
- Lampan i mitten(D) är alltid släckt.
- Lampan längst till höger (E) flimrar till ibland när den kommunicerar med termostaten.

- Lampan på mottagarenheten längst till vänster (C) lyser rött när termostaten i rummet kallar på värme. När den inte kallar på värme så är den släckt.
- Lampan i mitten(D) Röd = Aktivt sommarläge (Endast elpatron, styrdon alltid stängd), Blå = Vinterläge (Endast primärvärme, elpatron aktivera inte), Röd/Blå(blinkar ibland) = Automatiskt läge (Känner av själv när elpatron ska vara aktiv kontra om det finns tillgång till primärvärme) .
- Lampan längst till höger (E) flimrar till ibland när den kommunicerar med termostaten.
Har du ett system, till excempel en bottenvåning med Smatrix Pulse Wave med kommunikationsmodul och har ett badrum på övervåningen med en Push 12 med trådlös styrning så kan ni styra även badrummet via appen.
Steg 1:
Registrera termostatenmodellen ni har på mot en ledig kanal i reglercentralen (måste finnas en ledig kanal för att kunna utföra detta, är alla 12 kanalerna upptagna är denna intruktion inte möjlig att utföra). Steg 2:
Håll in handsymbolen på reläet till att lampan längst till höger lampa blinkar.

Placering av lampa på reläet
Steg 3:
På din termostat T-169/T-149
Håll in knapparna mittenknappen på termostaten tills ni kommer till menyn för termostaten i dispayen, då kan ni bläddra er fram till meny 09 med upp (^) eller ner (v) pilarna på sidan av termostaten.
Klicka en gång OK (mittenknappen) så ni kommer in på meny 09 (en antennsybol och "No" visas), sedan klickar ni på upp pilen (^) så att "No" ändras till "CNF".
När ni kommer till "CNF" bör termosten automatiskt skicka signal till reläet och koppla sig mot denna.
Lampan längst till höger blinkar snabbare och slocknar på reläet, detta betyder att termostatern är nu parkopplad.
Tryck på OK (mittenknappen på termostaten) för att bekräfta parameterändringen.
När ni nu är i menyvalen bläddrar ni till med pilen (^) så att ni passerar menyval "12". Då visas rumstemperaturen och då är ni i driftläge på termostaten.
På din termostat T-166
Håll in OK knappen på termostaten tills ni kommer till menyn för termostaten i dispayen, då kan ni bläddra er fram till meny 09 med + knappen.
Klicka en gång OK så ni kommer in på meny 09 (Int), sedan klickar ni på + knappen två gånger tills¨att det står "CNF".
När ni kommer till "CNF" bör termosten automatiskt skicka signal till reläet och koppla sig mot denna.
Lampan längst till höger blinkar snabbare och slocknar på reläet, detta betyder att termostatern är nu parkopplad.
Tryck på OK för att bekräfta parameterändringen.
När ni nu är i menyvalen bläddrar ni till med + knappen så att ni passerar menyval "12". Då visas rumstemperaturen och då är ni i driftläge på termostaten.


Fördelarskåp Push-12 RSK 2987827
Ram till skåp. Monteras efter ytskicktet är klart. Dörren som medföljde skåpet flyttas och monteras därefter i ramen.
Ramen går att montera mot ett skåp som ligger upp till ca40mm innanför färdig vägg med befintliga fästen.

Skåpsram Push-12 RSK 2987940

Mått fördelarskåp Push-12 RSK 2987827
Ramen har utvändiga mått:
- Höjd: 645mm
- Bredd: 530mm
- Djup: 20mm

Vägledande tabell på kapacitet för Push 12 med olika dimensioner av rör
Push 12 kan byggas ut med upp till 5 slingor med WTR fördelare C/C 50.

Bild: Uponor Push 12 med påkopplad WTR fördelare för 3 slingor
- 1st 2988789 Uponor Fluvia T Push-12 WL-G
- 2st kopplingsset (2434388 = 9,9mm, 2434579 = 12mm, 2434580 = 17mm, 2434581 = 20mm)
Materiallista Push 12 WL-G med grenrör
- 1st 2988789 Uponor Fluvia T Push-12 WL-G
- 1par 4810004 Uponor Fluvia Push-12 Grenrör (eller 2434386 grenrör utan strypning om två lika långa slingor läggs)
- 4st kopplingsset (välj mellan dimension 2434388 = 9,9mm, 2434579 = 12mm, 2434580 = 17mm, 2434581 = 20mm)
- 1st 2988789 Uponor Fluvia T Push-12 WL-G
- 2st 1870900 Uponor Aqua PLUS Fördelare utan kpl WTR DR (3 stick)
- 1st 2418621 Uponor Fluvia Lock med avluftning
- 1st 1228061 Uponor Aqua PLUS Lock med packning
- 3st 5398216 Uponor Fluvia Returventil
- 3st 2418620 Uponor Fluvia Vinkel utv x löpmutter
- 3st 2417947 Uponor Fit Bussning utvändig-invändig
- 6st kopplingsset 3/4" (välj dimension 2434580 = 17mm)
- 1st 2988789 Uponor Fluvia T Push-12 WL-G
- 2st 1870899 Uponor Aqua PLUS Fördelare utan kpl WTR DR (2 stick)
- 2st 1870900 Uponor Aqua PLUS Fördelare utan kpl WTR DR (3 stick)
- 1st 2418621 Uponor Fluvia Lock med avluftning
- 1st 1228061 Uponor Aqua PLUS Lock med packning
- 3st 2418620 Uponor Fluvia Vinkel utv x löpmutter
- 5st 2418594 Uponor Fluvia Returventil inkl. kopplingsset för 12mm rör
- 5st kopplingsset 1/2", R15 RSK 1881329 = 12mm (Alt. 5st bussningar RSK 2417947 samt 5st kopplingsset RSK 2434579 = 12mm)
Ljudfil på grundfos drivsida med luft monterad på en Push 12 (filen laddas ner på datorn)
Ljudfil.mp3
Instruktion för avluftning (pdf)
Avlufta Push 12
För att montera loss drivsidan i samband med rengöring kan man följa stegen i dokumentet nedan.
Push 12 åtgarder vid missljud
Elpatronens huvudsyfte är att ta bort upplevelsen av kalla golv i t.ex. ett badrum med klinkers när värmesystemet inte är igång på sommarhalvåret.
Paketet består av:
- 1st Trådlös Termostat T-166
- 1st Relä X-162: 230V med 230V utgång för styrdon
- 1st Styrdon Vario B 230V, M28 x 1.5 mm invändig gänga
- 1st Elpatron, ca 500 W, vänster eller högermontage, för anslutning till pumpgrupp Push 12
- 1st Säkerhetsventil 2,5 bar

Uponor Fluvia T Reglerset med elpatron för Push 12, RSK 2987745
FAQ - Push 23 B-W
Som alla värmesystem behöver golvvärmesystem en reglering av vattentemperatur och flöde. Om golvvärmen byggs ihop med ett annat värmesystem, t.ex radiatorvärme, behövs i regel pump- och shuntgruppen eftersom golvvärmen oftast kräver större flöde och lägre vattentemperatur än andra värmesystem. Pump- och shuntgruppen behövs även i system med blandade förläggningssätt, till exempel på glespanel och i betong, eftersom dessa kräver olika temperaturer (tvåtemperatursystem). En pump- och shuntgrupp behövs dock inte i alla system. Generellt säger man att skiljer det mindre än 10°C i drifttemperatur kan man ha samma framledningstemperatur på hela systemet och låta reglersystemet Smatrix hantera rumstemperaturen.
Push 23 B-W i detta avsnitt är den enklaste och vanligaste formen av shuntgrupp som används för golvvärmekretsen när systemet är kombinerat med ett annat system med högre framledning såsom radiatorer. Kapacitet 175m² vid 50W/m².
Framledningen styrs med hjälp av ett vred som ställs mellan 20-55°C. Denna justeras manuellt vid behov.
Termostatdelen på ventilen ställs in på en lämplig temperatur för golvvärmesystemet.
Reglaget kan behöva justeras när de yttre temperaturförhållandena ändras.
Nedan visas den ungefärliga framledningstemperaturen
vid inställt värde (1 – 9) på ventilen.
Vanligt förekommande inställningar:
Ingjutet värmegolv - Termostat inställt på 3 eller 4.
Spårad spånskiva - Termostat inställt på 5 eller 6.
Ingjutet värmegolv kombinerat med spårad spånskiva - Termostat inställt på 5 eller 6.

Tabell: Temperaturinställning av termostatdelen
Pumpen levereras inställd på konstanttryckhållning i läge 3 på höger sida, se Bild: Justering av cirkulationspump. Pumpen kan ställas i 6 lägen: 1-6 representerar det konstanta trycket, 1= 10 kPa 2=20 kPa osv. Normalläget 3 motsvarar 30kPa.

Bild: Justering av cirkulationspump
Cp1 används i normalläget. Cp2 används när inte Cp1 räcker till.

Bild: Fält för inställningar

Bild: Manöverpanel GRUNDFOS ALPHA2 L
- "POWER ON" indikeringslampa
- 7 ljusfält för indikering av pumpinställning
- Knapp för val av pumpinställning (klicka på denna tills CP1 tänds, standardläge för golvvärme)
Klicka på pumpens pil 5 gånger för att komma till detta läge.

Bild: Fält för inställningar

Bild: Manöverpanel IMP pump 15-70
Fabriksinställningen på den inbyggda reglerventilen är markerad standard (3) på justeringsspindeln. Om man vill reglera ska den svarta spindeln vridas medurs till önskat värde kan avläsas. Vrider man spindeln tills den tar stopp (closed) så försvinner den shuntande egenskapen helt.

Bild: Förinställning av reglerventilen

Tabell: Förinställning av reglerventilen
Stäng ventilen med den röda ratten, se till att den grå ringen är lyft och att den löper fritt. Vrid den grå ringen tills efterfrågat värde står vid röda rattens spets. Tryck ned den grå ringen och öppna röda ratten moturs tills spetsen stannar mot stoppklacken på den grå ringen.
I de flesta fallen när det gäller villor kan denna lämnas fullt öppen moturs om ingen beräkning är framtagen.

Bild: Handratt för förinställning av returventilen

Bild: Handratt för förinställning av returventilen

Bild: Principschema för Uponor Push 23-B-W
2. Primär returanslutning med retur ventil
3. Inbyggd reglerventil med backventil
4. Vred för reglerventil
5. Cirkulationspump
6. Sekundär tilloppsanslutning
7. Sekundär returanslutning
8. Golvvärmefördelare
9. Primärpump

Bild: Pumpdiagram för Uponor Push 23-B-W (15-60 pump)

Bild: Pumpdiagram för Uponor Push 23-B-W (15-70 pump)
FAQ - Push-23-A-AC
Som alla värmesystem behöver golvvärmesystem en reglering av vattentemperatur och flöde. Om golvvärmen byggs ihop med ett annat värmesystem, t.ex radiatorvärme, behövs i regel pump- och shuntgruppen eftersom golvvärmen oftast kräver större flöde och lägre vattentemperatur än andra värmesystem. Pump- och shuntgruppen behövs även i system med blandade förläggningssätt, till exempel på glespanel och i betong, eftersom dessa kräver olika temperaturer (tvåtemperatursystem). En pump- och shuntgrupp behövs dock inte i alla system. Generellt säger man att skiljer det mindre än 10°C i drifttemperatur kan man ha samma framledningstemperatur på hela systemet och låta reglersystemet Smatrix hantera rumstemperaturen.
Push 23 A-AC i detta avsnitt används för golvvärmekretsen när systemet är kombinerat med ett annat system med högre framledning såsom radiatorer. Kapacitet 175m² vid 50W/m².
Framledningen styrs med hjälp av MOVE X-157 Regulators olika kurvor (inställningarna görs av installatör) samt ett monterat styrdon på termostatventilen. Denna har sedan referensgivare såsom utomhusgivare och framledningsgivare som styr framledningen utifrån satta värden i regulatorn.
Pumpen levereras inställd på konstanttryckhållning i läge 3, se Bild: Justering av cirkulationspump. Pumpen kan ställas i 6 lägen: 1-6 representerar det konstanta trycket, 1= 10 kPa 2=20 kPa osv. Normalläget 3 motsvarar 30kPa.

Bild: Justering av cirkulationspump
Cp1 används i normalläget. Cp2 används när inte Cp1 räcker till.

Bild: Fält för inställningar

Bild: Manöverpanel GRUNDFOS ALPHA2 L
- "POWER ON" indikeringslampa
- 7 ljusfält för indikering av pumpinställning
- Knapp för val av pumpinställning (klicka på denna tills CP1 tänds, standardläge för golvvärme)
Klicka på pumpens pil 5 gånger för att komma till detta läge.

Bild: Fält för inställningar

Bild: Manöverpanel IMP pump 15-70
Fabriksinställningen på den inbyggda reglerventilen är markerad standard (3) på justeringsspindeln. Om man vill reglera ska den svarta spindeln vridas medurs till önskat värde kan avläsas. Vrider man spindeln tills den tar stopp (closed) så försvinner den shuntande egenskapen helt.

Bild: Förinställning av reglerventilen

Tabell: Förinställning av reglerventilen
Stäng ventilen med den röda ratten, se till att den grå ringen är lyft och att den löper fritt. Vrid den grå ringen tills efterfrågat värde står vid röda rattens spets. Tryck ned den grå ringen och öppna röda ratten moturs tills spetsen stannar mot stoppklacken på den grå ringen.
I de flesta fallen när det gäller villor kan denna lämnas fullt öppen moturs om ingen beräkning är framtagen.

Bild: Handratt för förinställning av returventilen

Bild: Handratt för förinställning av returventilen

Bild: Pumpdiagram för Uponor Push 23-A-AC

Bild: Principschema för Uponor Push MPG 10-A-W
2. Primär returanslutning med returventil
3. Vred för reglerventil
4. Cirkulationspump
5. Sekundär tilloppsanslutning
6. Sekundär returanslutning
7. Golvvärmefördelare
8. Primärpump
9. Utetemperaturgivare
10. Regulator X157
11. Tilloppstemperaturgivare
För att ställa in systemparametrar:
- Tryck på knappen OK och håll kvar i ca. 10 sekunder.
- Inställningssymbolen visas i övre vänstra hörnet av displayen, och texten Hot type, Cld type, eller rEvtype (beroende på aktuellt driftläge) visas.
- Använd knapparna < eller > för att hitta en parameter (se lista nedan) och tryck på OK. Vissa av dessa parametrar kräver att de aktiveras av andra parametrar.
- Se tabell till höger för parametrar
- Använd knapparna eller + för att ändra parametrar.
- Använd knapparna < eller > för att hitta parameter 24 (End) – Lämna inställningar för systemparametrar.
- Tryck på knappen OK för att lämna inställningar för systemparametrar.

Tabell: Funktioner för regulator X-157
FAQ - MPG-10-A-W
Som alla värmesystem behöver golvvärmesystem en reglering av vattentemperatur och flöde. Om golvvärmen byggs ihop med ett annat värmesystem, t.ex radiatorvärme, behövs i regel pump- och shuntgruppen eftersom golvvärmen oftast kräver större flöde och lägre vattentemperatur än andra värmesystem. Pump- och shuntgruppen behövs även i system med blandade förläggningssätt, till exempel på glespanel och i betong, eftersom dessa kräver olika temperaturer (tvåtemperatursystem). En pump- och shuntgrupp behövs dock inte i alla system. Generellt säger man att skiljer det mindre än 10°C i drifttemperatur kan man ha samma framledningstemperatur på hela systemet och låta reglersystemet Smatrix hantera rumstemperaturen.
Push MPG 10 A-W i detta avsnitt används för golvvärmekretsen när systemet är kombinerat med ett annat system med högre framledning såsom radiatorer. Kapacitet 220m² vid 50W/m².
Framledningen styrs med hjälp av MOVE X-157 Regulators olika kurvor (inställningarna görs av installatör) samt en monterad reglermotor på en trevägsventil. Denna har sedan referensgivare såsom utomhusgivare och framledningsgivare som styr framledningen utifrån satta värden i regulatorn.
Pumpen levereras inställd på konstanttryckhållning i läge 3, se Bild: Justering av cirkulationspump. Pumpen kan ställas i 6 lägen: 1-6 representerar det konstanta trycket, 1= 10 kPa 2=20 kPa osv. Normalläget 3 motsvarar 30kPa.

Bild: Justering av cirkulationspump
Cp1 används i normalläget. Cp2 används när inte Cp1 räcker till.

Bild: Fält för inställningar

Bild: Manöverpanel GRUNDFOS ALPHA2 L
- "POWER ON" indikeringslampa
- 7 ljusfält för indikering av pumpinställning
- Knapp för val av pumpinställning (klicka på denna tills CP1 tänds, standardläge för golvvärme)
Klicka på pumpens pil 5 gånger för att komma till detta läge.

Bild: Fält för inställningar

Bild: Manöverpanel IMP pump 15-70
Fabriksinställningen på den inbyggda reglerventilen är markerad standard (3) på justeringsspindeln. Om man vill reglera ska den svarta spindeln vridas medurs till önskat värde kan avläsas. Vrider man spindeln tills den tar stopp (closed) så försvinner den shuntande egenskapen helt.

Bild: Förinställning av reglerventilen

Tabell: Förinställning av reglerventilen
Stäng ventilen med den röda ratten, se till att den grå ringen är lyft och att den löper fritt. Vrid den grå ringen tills efterfrågat värde står vid röda rattens spets. Tryck ned den grå ringen och öppna röda ratten moturs tills spetsen stannar mot stoppklacken på den grå ringen.
I de flesta fallen när det gäller villor kan denna lämnas fullt öppen moturs om ingen beräkning är framtagen.

Bild: Handratt för förinställning av returventilen

Bild: Handratt för förinställning av returventilen

Bild: Principschema för Uponor Push MPG 10-A-W
2. Primär returanslutning med returventil
3. Trevägsblandningsventil motorstyrd
4. Cirkulationspump
5. Sekundär tilloppsanslutning
6. Sekundär returanslutning
7. Golvvärmefördelare
8. Primärpump
9. Utetemperaturgivare
10. Regulator X157
11. Tilloppstemperaturgivare

Bild: Pumpdiagram för Uponor Push MPG 10-A-W
För att ställa in systemparametrar:
- Tryck på knappen OK och håll kvar i ca. 10 sekunder.
- Inställningssymbolen visas i övre vänstra hörnet av displayen, och texten Hot type, Cld type, eller rEvtype (beroende på aktuellt driftläge) visas.
- Använd knapparna < eller > för att hitta en parameter (se lista nedan) och tryck på OK. Vissa av dessa parametrar kräver att de aktiveras av andra parametrar.
- Se tabell till höger för parametrar
- Använd knapparna eller + för att ändra parametrar.
- Använd knapparna < eller > för att hitta parameter 24 (End) – Lämna inställningar för systemparametrar.
- Tryck på knappen OK för att lämna inställningar för systemparametrar.

Tabell: Funktioner för regulator X-157
FAQ - PPG-30-A-W
Som alla värmesystem behöver golvvärmesystem en reglering av vattentemperatur och flöde. Om golvvärmen byggs ihop med ett annat värmesystem, t.ex radiatorvärme, behövs i regel pump- och shuntgruppen eftersom golvvärmen oftast kräver större flöde och lägre vattentemperatur än andra värmesystem. Pump- och shuntgruppen behövs även i system med blandade förläggningssätt, till exempel på glespanel och i betong, eftersom dessa kräver olika temperaturer (tvåtemperatursystem). En pump- och shuntgrupp behövs dock inte i alla system. Generellt säger man att skiljer det mindre än 10°C i drifttemperatur kan man ha samma framldeningstemperatur på hela systemet och låta reglersystemet Smatrix hantera rumstemperaturen.
Push PP 30 A-W i detta avsnitt används för golvvärmekretsen när systemet är kombinerat med ett annat system med högre framledning såsom radiatorer. Kapacitet 700m² vid 50W/m².
Framledningen styrs med hjälp av MOVE X-157 Regulators olika kurvor (inställningarna görs av installatör) samt en monterad reglermotor på en trevägsventil. Denna har sedan referensgivare såsom utomhusgivare och framledningsgivare som styr framledningen utifrån satta värden i regulatorn.
Pumpen kan ställas i 8 lägen: 1-8 representerar det konstanta trycket, 1 = 10 kPa osv.
Normalläget 3 motsvarar 30kPa.

Bild: Justering av cirkulationspump
Om man vill styra ventilen manuellt kan ratten på motorn dras rakt ut och önskat värde ställas in.

Bild: Motordriven blandningsventil

Tabell: Förinställning av reglerventilen
För att ställa in systemparametrar:
- Tryck på knappen OK och håll kvar i ca. 10 sekunder.
- Inställningssymbolen visas i övre vänstra hörnet av displayen, och texten Hot type, Cld type, eller rEvtype (beroende på aktuellt driftläge) visas.
- Använd knapparna < eller > för att hitta en parameter (se lista nedan) och tryck på OK. Vissa av dessa parametrar kräver att de aktiveras av andra parametrar.
- Se tabell till höger för parametrar
- Använd knapparna eller + för att ändra parametrar.
- Använd knapparna < eller > för att hitta parameter 24 (End) – Lämna inställningar för systemparametrar.
- Tryck på knappen OK för att lämna inställningar för systemparametrar.

Tabell: Funktioner för regulator X-157

Bild: Principschema för Uponor PPG-30-A-W
2. Primär tilloppsanslutning med avstängningsventil
3. Utetemperaturgivare
4. Primär returanslutning med av stängningsventil
5. Trevägsblandningsventil motorstyrd
6. Cirkulationspump
7. Regulator X157
8. Tilloppstemperaturgivare
9. Golvvärmefördelare

Bild: Pumpdiagram för Uponor PPG-30-A-W

Bild: Teknisk data för Uponor PPG-30-A-W
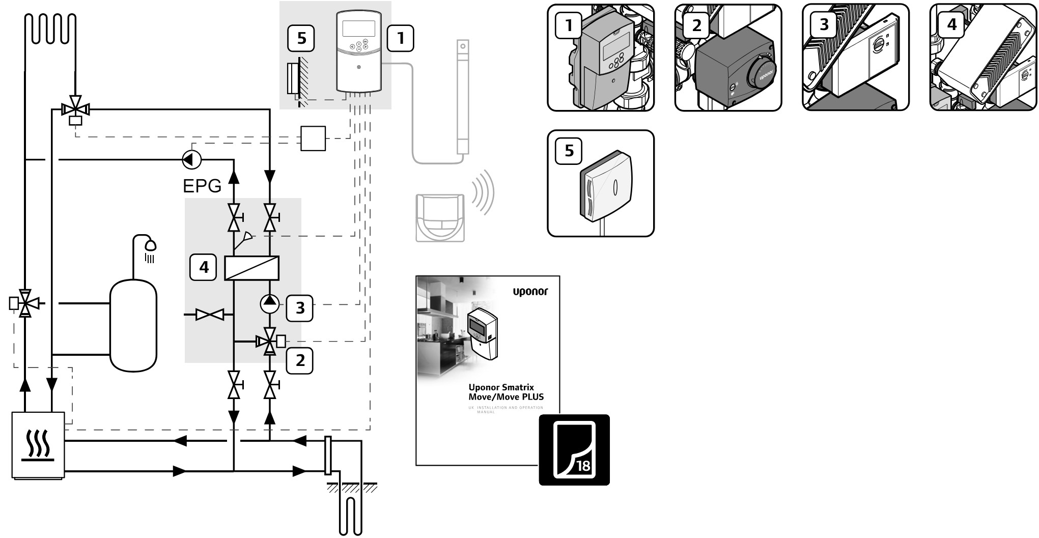
FAQ - Move PLUS Push EPG-6-A-W
Detta är en pumpgrupp med värmeväxlare för frikyla. Möjlighet att användas även för små värmeinstallationer.
OBS! Vid värmeinstallationer krävs flyttning av blandningsventil och pump.
Regleras med Uponor Regulator Smatrix Move X-157 i kombination med framledningsgivare och utetemperaturgivare.
– Max yta kyla: vid 35W/m² ca 170 m²
– Max yta värme: vid 50W/m² ca 200 m²
Pumpen levereras inställd på konstanttryckhållning i läge 3, se Bild: Justering av cirkulationspump. Pumpen kan ställas i 6 lägen: 1-6 representerar det konstanta trycket, 1= 10 kPa 2=20 kPa osv. Normalläget 3 motsvarar 30kPa.

Bild: Justering av cirkulationspump

Bild: Principschema för Uponor EPG-6-A-W
1. Regulator X-157
2. Trevägsblandningsventil motorstyrd
3. Cirkulationspump
4. Värmeväxlare
5. Utetemperaturgivare

Bild: Pumpdiagram för Uponor EPG-6-A-W

Bild: Teknisk data för Uponor EPG 6-A-W

Bild: Teknisk data för Uponor EPG-6-A-W
För att ställa in systemparametrar:
- Tryck på knappen OK och håll kvar i ca. 10 sekunder.
- Inställningssymbolen visas i övre vänstra hörnet av displayen, och texten Hot type, Cld type, eller rEvtype (beroende på aktuellt driftläge) visas.
- Använd knapparna < eller > för att hitta en parameter (se lista nedan) och tryck på OK. Vissa av dessa parametrar kräver att de aktiveras av andra parametrar.
- Se tabell till höger för parametrar
- Använd knapparna eller + för att ändra parametrar.
- Använd knapparna < eller > för att hitta parameter 24 (End) – Lämna inställningar för systemparametrar.
- Tryck på knappen OK för att lämna inställningar för systemparametrar.

Tabell: Funktioner för regulator X-157
FAQ - Växlarshunt

- Meltaway VVX‐shunt 40kW G1 inv (räcker till ca 170m² med ett effektbehov på 235 W/m²)
- Meltaway VVX‐shunt 60kW G1¼ inv (räcker till ca 255m² med ett effektbehov på 235 W/m²)
Notera att varje växlarshunt tillverkas efter order.
.jpg?sitename=SwedenBLD)

Öppen framifrån

Öppen sidovy

Stängd färdigmonterad
Zonindelning med hänsyn till snösmältning. Erfoderlig installerad effekt i kcal/m² h. Inom parentes de värden som bör tillämpas på speciellt snörika områden eller på områden speciellt utsatt för vinddrift inom varje zon. Sådana områden där de högre effektvärdena bör övervägas har skuggats.

40kW modellen har pump:
Wilo Stratos 25/1-8-180
60kW modellen har pump:
Wilo Stratos 25/1-12-180
Vanliga frågor reglerenheter (FAQ)
FAQ - Move X-157
Elektrisk installation och service innanför
skyddskåpor där spänningar på 230 V AC
finns, måste utföras under överinseende av en
behörig elektriker.

*) Utomhustemperaturgivaren kan anslutas till regulatorn eller en termostat (kräver antenn A-155).
**) Anslut antingen KYLA eller PUMP P2 (sekundär värme/kyla-krets) till anslutningarna.
***) Välj en av ingångarna (omkoppling värme/kyla, styrsignal för pump, eller nedsänkningstermostat) och ställ in parameter 11 – Val av trådbunden ingång 1, eller
parameter 12 – Val av trådbunden ingång 2, till lämpligt värde. Alternativet för värme/kyla kan endast användas i system utan en registrerad trådlös termostat.
****) Anslutning för temperaturbegränsning (tillval), försedd med en bygling från fabrik. Avlägsna byglingen om temperaturbegränsning ska användas med PUMP P1.
*****) Returledningsgivare (tillval). Kan endast användas för boost-funktion i system utan en registrerad trådlös termostat.
För att ställa in systemparametrar:
- Tryck på knappen OK och håll kvar i ca. 10 sekunder.
- Inställningssymbolen visas i övre vänstra hörnet av displayen, och texten Hot type, Cld type, eller rEvtype (beroende på aktuellt driftläge) visas.
- Använd knapparna < eller > för att hitta en parameter (se lista nedan) och tryck på OK. Vissa av dessa parametrar kräver att de aktiveras av andra parametrar.
- Se tabell till höger för parametrar
- Använd knapparna eller + för att ändra parametrar.
- Använd knapparna < eller > för att hitta parameter 24 (End) – Lämna inställningar för systemparametrar.
- Tryck på knappen OK för att lämna inställningar för systemparametrar.

Tabell: Funktioner för regulator X-157
Snabbguide X-157
FAQ - Move Pro X-159 Meltaway (Utgått)
Move Pro obligatoriska sensorer för Meltaway
- 2 markgivare*
- Utomhusgivare
- Tilloppsgivare*
- Returgivare*
- Primär returgivare(frysskydd) + cirkulationspump och 0-10 volts styrdon*
*Ingår i snösmältningsset 2987822
Utomhusgivare har RSK 5398325

Vid drift har Move Pro 3 driftlägen: Smälter, Vila (tomgång), Stopp (säsongsavstängning)
SmälterNär marksensorerna detekterar fukt, temperatur under 2 grader och utomhusgivaren detekterar under 10 grader smältning startar och öppnar shunt till 35 graders framledningstemperatur
Vila
Väntläge inför smältning, går automatiskt vid under 10 graders utomhustemperatur = Framledningstemperatur håller 8 grader, alltid aktiv under vintersäsongen.
Stopp
När utomhustemperaturen är över 10 grader mer än 48 timmar
*ovanstående parametrar kan justeras, dessa är grundinställningar vid leverans
Markgivarna är identiska men används för två olika syften. En för markytfukt och den andra för marktemperatur. Man kopplar endast in avsedda ledare för respektive funktion. Övriga kablar kopplar man inte in.
Den övre bilden till höger visar givare som är kopplad som fuktsensor
Vit och gul kabel i plint 8 och den inbyggda värmaren i plint 24 och 26
Den nedre bilden till höger visar givare kopplad som temperatursensor
Rosa och grå kabel i plint 7

Bild: Markgivare inkopplade
Före uppstart ska korrekt micro SD kort sättas in i regulatorn.
Två stycken medföljer produkten.
Vid markvärme ska kortet med värmesymbol användas.

Bild: Markgivare inkopplade
Vid uppstart gå igenom startguiden.
Navigera i menyer med ratten.
Bekräfta val med att trycka in ratten. Gå bakåt med pilknappen.
- Välj språk
- Ställ in tid, datum
- Välj ”standard”
- Deaktivera zon 1
- Deaktivera zon 2
- Aktivera zon 3
- I zon 3 skärm, välj markvärme
- Deaktivera zon 4
- Avsluta startguide
- Klart! De förinställda parametrarna för markvärme är nu aktiva i zon 3.
Om de givare som krävs är korrekt anslutna kommer nu systemet att vara igång. Om någon givare saknas eller fel inkopplad kommer ett alarm för denna att visas.
- Bilder visar med förinställda värden som t.ex. Start och stopp kriterier, värden är justerbara
- Vilotemperatur kan ställas till ett lägre värde beroende på klimatzon
- Den sista bilden visar frysskyddet. Den primära returgivaren känner av om returledning på primärsidan av växlaren går under noll grader. Vid under noll så är det risk för sönderfrysning av växlare på primärsidan där vattnet ej innehåller frostskyddsmedel. Regulatorn stoppar pumpen vid under noll grader och startar den igen vid +15 grader

Bild: Parametrar i drift (grundinställningar)
Manualer Shuntgrupper och regulatorer
Push 23 B-W- Manual
Allt du behöver veta för att installera och använda din Push 23 B-W
Push 23 A-AC - Manual
Allt du behöver veta för att installera och använda din Push 23 A-AC
Uponor M-161- Manual (Utdrag ur Smatrix Wave Manual)
Allt du behöver för att komma igång med din Smatrix M-161
Uponor X-162 - Manual
Allt du behöver för att komma igång med din Smatrix X-162
Uponor X-157 - Snabbguide
Allt du behöver för att komma igång med din Smatrix Move X-157
Uponor Move X-157 - Manual
Allt du behöver för att komma igång med din Smatrix Move X-157
Uponor Smatrix Move Pro X-159 - Manual (Meltaway)
Allt du behöver för att installera och använda din Smatrix Move Pro X-159 (Värmeapplicering/Meltaway)
Uponor Smatrix Move Pro X-159 - Manual (Värme&Kyla)
Allt du behöver för att installera och använda din Smatrix Move Pro X-159 (Värme- & Kylapplicering)
Kontakta våra Premium Installers för att uppgradera din golvvärmereglering
Uponor Premium Installer är ett unikt nätverkskoncept som riktar sig till duktiga installatörer med hög servicenivå och fackmannamässigt utförda arbeten. Med en Premium Installer som hjälper dig uppgradera din golvvärmereglering kan du känna dig trygg att du får ett snabbt, proffsigt och noggrant utfört arbete.
Våra övriga system för golvvärmereglering
Smatrix (2015 - 2020)
- Vanliga frågor och svar
- Instruktionsvideos
- Manualer och uppdateringsfiler
- Uppgraderingsguide
Smatrix Pulse (2020 - )
- Guider
- Instruktionsvideos
- Manualer
- Vanliga frågor och svar
Behöver du fortfarande hjälp?
Kontakta oss gärna på kundtjanst.vvs@uponor.com















.png?sitename=SwedenBLD)



