Support för Smatrix Pulse golvvärmereglering
Instruktionsvideos - Smatrix Pulse (2020 - )
T-169/T-149
Klicka på länken för att öppna videon i YouTube.
Radiatortermostat T-162
Klicka på länken för att öppna videon i YouTube.
X-265+R208 + X-265
Klicka på länken för att öppna videon i YouTube.
Smatrix Pulse App
Klicka på länken för att öppna videon i YouTube.
Vanliga frågor och svar (FAQ)
FAQ - Smatrix Pulse App
Installationsvideo av Smatrix Pulse App
Följ stegen i denna pdf:
Guide ansluta R-208 (Nyinstallation)
.jpg?sitename=SwedenBLD)
Börja med att trycka på pil ner (pilen hittar ni i fältet "Hem" på bilden ovan)
.jpg?sitename=SwedenBLD)
Tryck på "Lägg till en installation"
Följ sedan stegen i appen. Ni kan använda nedan pdf som stöd under installationen:
Guide ansluta ny installation till befintligt konto(Ominstallation/Lägg till ytterligare anläggning)
Byte av rumsnamn
Om du vill ändra namn på rummet i Smatrix Pulse App gör ni följande:
- Välj “Rum”.
- Välj “Rumsinställningar”.
- Välj “Rumsnamn”.
Aktivera bypass
Så här aktiverar/avaktiverar du bypass i Smatrix Pulse-appen
- Välj “Meny”.
- Välj “Systeminställningar”.
- Välj “Installatörsinställningar”.
- Välj “Bypass rum”.
- Välj rum/rummen du vill ha aktiverade som bypass.
Bypass säkerställer att styrdonen för dessa rum är öppna när det inte finns ett värmebehov, för att hålla ett minimiflöde i systemet. Använd rum med stora värmebehov (de kallaste rummen) för att undvika för höga temperaturer i rum med små värmebehov.
Aktivera Komfortinställning
Om du vill ändra aktivera komfortinställning som ger underhållsvärme i golvet när man eldar i braskamin eller om man vill ha varmt golv i hallen eller badrummet utan att behöva höja upp termostaten på onormala värden så gör ni följande:
- Välj "Rum"
- Välj "Rumsinställningar"
- Välj "Avancerade rumsinställningar"
- Välj "Komfortinställning"
Aktivera Bypass i Smatrix Pulse App
Så här aktiverar/avaktiverar du bypass i Smatrix Pulse-appen
- Välj “Meny”.
- Välj “Systemnställningar”.
- Välj “Installatörsinställningar”.
- Välj “Bypass rum”.
- Välj rum/rummen du vill ha aktiverade som bypass.
Bypass säkerställer att styrdonen för dessa rum är öppna när det inte finns ett värmebehov, för att hålla ett minimiflöde i systemet. Använd rum med stora värmebehov (de kallaste rummen) för att undvika för höga temperaturer i rum med små värmebehov.
Aktivera Komfortinställning i Smatrix Pulse App
Så här aktiverar du komfortinställning
- Välj Rum.
- Välj “Rumsinställningar”.
- Välj “Avancerade rumsinställningar”
- Välj “Komfortinställning”.
Inställningsområde: 0 – 12 %, i steg om 1%. Ställ in grundläggande nivå för komfort i rummet när det inte finns ett värmebehov. Det kommer att förkorta uppvärmningstiden för rummet, vilket är användbart i rum där det finns andra värmekällor, till exempel en braskamin. Värdet är en procentsats av tid som styrdonen är öppna.
Aktivera Eco läge (Spara energi)när man är bortrest längre tid
Eco läge är förinställt på 4°C, ställbar mellan 0-11°C
Väljer du till exempel 10°C i "System Eco justering" och du åker iväg en längre tid kan du klicka på "Runda cirkeln" på hemskärmen i Smatrix Pulse App, "Borta: Spara energi" aktiveras. Då sänker alla termostater sina inställda värden med 10°C (t.ex. en termostat som står på 22° blir 12°C) Några dagar innan du kommer hem återgår du till värmeläge genom att klicka på "Runda cirkeln" på hemskärmen i Smatrix Pulse App, "Värmer" (normaldrift) aktiveras. Då går termostaterna tillbaka till sina ursprungliga börtemperaturer och huset hinner återgå till rätt temperatur lagom till att du kommer hem.
Så här ändrar du temperaturen för "Eco justering" i appen:
- Välj "Meny" upp till vänster på hemskärmen.
- Välj "Eco Profiler
- Välj "System ECO justering" = Ändrar antalet grader vid borta läge.
Ja, det går bra, men du måste koppla alla installationer till Uponor Cloud-service.
Aktivera Komfortinställning i Smatrix Pulse App
Förinställning: 0% (Av)
Inställningsområde: 0 – 12 %, i steg om 1%. Ställ in grundläggande nivå för komfort i rummet när det inte finns ett värmebehov. Det kommer att förkorta uppvärmningstiden för rummet, vilket är användbart i rum där det finns andra värmekällor, till exempel en braskamin. Värdet är en procentsats av tid som styrdonen är öppna.
Aktivering/Avaktivering av av komfortläge
- Välj "Rum".
- Välj "Rumsinställningar".
- Välj “Avancerade Rumsinställningar”
- Välj “Komfortinställning”.
Tips: Innan man raderar en molanslutning. Ta en skärmdump på rumslistan då denna försvinner vid en ominstallation. Detta för att förenkla namngivning av rummen efter installationen.
Alternativet är annars att höja en rumstermostat och se vilket börvärde som ändras i appen. Då vet man vilket rum det är.
Det finns ingen egentlig begränsning på antalet installationer som kan läggas till. Men antalet installationer kan påverka minnesutrymmet och processorkraften i din mobil/tablet och på så vis också påverka prestanda och svarstider.
Har man redan länkat om alla enheter i hemmet förutom vår kommunikationsmodul kan man skapa ett gästnätverk på sin nya router med samma nätverksnamn och lösenord. Då bör vårt system koppla upp sig mot gästnätverket. Tips kan vara att starta om reglercentralen som har kommunikationsmodulen genom att dra i ur strömmen i 10 sekunder om det inte ansluter sig inom 5 minuter.
Om inget av förslagen ovan passar er måste man göra en ominstallation:
För att komma till "Steg 1" i pdf-guiden nedan måste man:
- Har ni felmeddelande "Anslutningsfel" Gå då in på menyn upp till vänster, "Anslutningsinställningar" > "Radera molnanslutning"
- Har ni meddelande om att ingen installation finns går ni in på rullgardinsmenyn mitt på sidan och väljer "Lägg till installation".
Guide ansluta R-208 (Ominstallation till befintligt konto)
Vill du hellre se en installationsvideo?
Installationsvideo av Smatrix Pulse App
Notera: Installationsvideon ovan avser en nyinstallation så några av stegen förekommer inte vid ominstallation. I pdf filen har ni de steg som gås igenom.
Steg 2: Byt nätverkssladd mellan reglercentralen och kommunikationsmodulen. Det kan vara ett brott på kabeln som gör att den inte kan läsa av reglercentralen.
Hjälper inte detta, kontakta supporten för vidare felsökning.
Blir det fel efter att du tilldelat nätverk(SSID), lösenord till kommunikationsmodulen och kopplat din telefon till samma nätverk(SSID), fabrikåterställ kommunikationsmodulen genom att hålla in knappen på höger sida tills att strömlampan slocknar, släpp sedan. Strömlampan återgår till rött sken efter ca en halv minut. Starta om appen och gör om instruktionerna.
Blir det fel igen efter att du tilldelat nätverk(SSID), lösenord till kommunikationsmodulen och kopplat din telefon till samma nätverk(SSID), prova att koppla en fysisk nätverkssladd tillfälligt från huvudroutern/mediacentralen till kommunikationsmodulen (kan förenkla verifieringsprocessen för systemet) och försök ansluta trådlöst igen.

Standarduppkoppling - trådlöst utan nätverkssladd

Uppkoppling trådlöst ansluten tillfälligt med nätverkssladd
Inaktivera 4G under inställningar i din mobil/tablet och prova därefter att ansluta igen.
Steg 1: Gör reglercentralen, som kommunikationsmodulen är kopplad till, strömlös genom att dra ur stickkontakten i 10 sekunder. Kontrollera om lampan på kommunikationsmodulen ändrar färg till grönt. Gör den det är uppkopplingen till routern återskapad.
Steg 2: Starta om routern och när den gjort detta gör om steg 1.
Steg 3: Ni måste göra om uppkopplingen, notera att inställningar man gjort vad gäller rumsnamn, komfortinställningar, bypass m.m. kommer behöva ställas in på nytt.
När det står "Anslutningsfel" i appen gå in på menyn upp till vänster, välj
"Anslutningsinställningar" och "Radera molnanslutning".
Följ instruktionerna i appen, ni kan även se appens steg i bifogad pdf.
Installera om eller ny kommunikationsmodul till befintligt konto
Gör så här:
1. Kontakta Uponors tekniska support.
2. Ge supporten ditt enhetsid: 28F537401D1A (exempel). Detta hittar du i Huvudmenyn > Systeminställningar (ikon med tre rader i vänstra hörnet)
Uponor-supportören kommer tillsammans med dig gå igenom åtgärderna.
Kontakta supporten
Du skapar ett användarkonto via Huvudmenyn > Anslutningsinställningar > Användarkonto.
1) Verifiera att användaren redan är registrerad. Om ja, gå tillbaka till första app-bilden, logga in och lägg till ny installation.
2) Verifiera att din mobila enhet (mobil, tablet) är uppkopplad mot internet. Detta krävs för att kunna skapa ett användarkonto. Om inte, hoppa över skapandet av användarkonto och gör detta senare i Smatrix Pulse-appen.
Det beror på att din kontaktinformation används redan i ett befintligt användarkonto. Vad du försöker göra nu är att skapa ett likadant konto till en ny installation. Gå tillbaka till startskärmen av installationsguiden och logga in före du går igenom installationsguiden igen.
Då kan man testa att "lura" systemet och ange nätverksnamn(SSID) samt lösenord med mobil hotspot eller med hjälp av en annan router som tillåter verifieringsprocessen.
I detta exempel anger vi dessa som nätverksnamn "TP-link 2,4GHz" lösenord "password123"
Steg 2:
Mobil hotspot
Android:
Gå in på Inställningar -- >Anslutning och delning -->Internetdelning (aktivera)
OBS! Surfpunktsinställningar ska vara:
Namn: TP-link 2,4GHz
Lösenord: password123
Iphone:
Ändra nätverksnamn för internetdelning: Inställningar --> Allmänt --> Om --> Namn(ändra till TP-link 2,4GHz)
Ändra lösen: Gå in på Inställningar -- > Internetdelning -->Wi-Fi lösenord (ändra till password123)
Gå in på Inställningar -- > Internetdelning(aktivera)
Annan router
Gå in i admin delen via webbläsaren och ange 192.168.0.1 eller 192.168.1.1 (dessa två adresser brukar vara standard) lösen brukar vara standard "admin" om du inte ändrat det. Googla annars vilket lösenord som används för din router som standard.
Steg 3
Starta er primära router. Då bör vårt system hoppa in på det trådlösa nätverket på din nya router då vår enhet redan fått tilldelat rätt nätverksnamn samt lösenord.

Wi-Fi router (primära) på bild ersätts av mobil hotspot alternativt en annan router
med samma nätverksnamn(SSID) och lösenord som den primära routern
Steg 1: Starta om kommunikationsmodulen (R-208)
- Gör kommunikationsmodulen strömlös i 10 sekunder:
- Antingen genom att dra ur nätverkssladden baktill eller i reglercentralen.
- Eller genom att dra ur stickkontakten till reglercentralen.
- Vänta ett par minuter – modulen bör koppla upp sig automatiskt.
- Kontrollera att lampan lyser grönt på R-208 = enheten är online.
Steg 2: Logga ut och logga in i appen
- Logga ut från Smatrix Pulse 2-appen och logga in igen för att utesluta att felet ligger i appen.
Steg 3: Återställ molnanslutningen
Om R-208 fortfarande inte lyser grönt och du fortfarande får "Anslutningsfel":
- Gå till anslutningsinställningar i appen.
- Radera molnanslutningen.
- Gör om installationen mot routern.
Steg 4: Fabriksåterställ kommunikationsmodulen (vid Wi-Fi-fel)
Om du får felmeddelandet:
"Fel – Det kan inte upprättas någon Wi-Fi-anslutning till ditt system",
kan det bero på att något stör i kommunikationsmodulen.
Så här fabriksåterställer du R-208 (notera detta tar bort namn och instälningar gjorda i appen men tar ej bort registrering av termostater mot reglercentralen):
- Håll in knappen på höger sida av R-208 tills lampan slocknar.
- Vänta ca 40 sekunder tills lampan börjar lysa igen.
- Gör om installationen mot nätverket.
FAQ - Termostat
Gäller det ominstallation av termostat på befintlig kanal se då fråga:
"Hur omregistrerar jag befintlig kanal på reglercentralen?"
Vill du hellre se en installationsvideo?
Installationsvideo av termostat T-169/T-149
Steg 1 - På Reglercentral
1.1 - Håll in knappen "OK" på reglercentralen i ca. tre sekunder tills lysdioden för kanal ett (eller den första oregistrerade kanalen) blinkar rött.
1.2 - Använd knapparna < eller > för att flytta markören till önskad kanal (markerad kanal blinkar rött).
1.3 - Tryck till på knappen "OK" för att välja kanal för registrering. Lysdioden för den valda kanalen börjar blinka grönt.
1.4 - Upprepa steg två och tre tills alla kanaler som ska registreras med den specifika termostaten är valda (valda lysdioder blinkar grönt).
Steg 2 - På din termostat T-169/T-149
2.1 - Håll in knapparna ^ och v på termostaten tills en antennsymbol/filträd visas på displayen. En "OK" bock visas på displayen och lysdioden för den valda kanalen lyser nu fast grön och registreringen är klar. Nästa lediga kanal börjar blinka rött i reglercentralen.

Placering av knappar T-169

Placering av knappar T-149
2.2 - Upprepa alla steg från och med steg 1.2 tills alla rumstermostater har registrerats och samtliga kanaler som ska programmerats lyser med ett fast grönt sken. För att avsluta registrering och återvända till driftläge, håll in knappen "OK" på reglercentralen i ca. tre sekunder tills de gröna lysdioderna slocknar.
Gäller det ominstallation av termostat på befintlig kanal se då fråga:
"Hur omregistrerar jag befintlig kanal på reglercentralen?"
Vill du hellre se en installationsvideo?
Installationsvideo av termostat T-165/T-145
Steg 1 - På Reglercentral
1.1 - Håll in knappen "OK" på reglercentralen i ca. tre sekunder tills lysdioden för kanal ett (eller den första oregistrerade kanalen) blinkar rött.
1.2 - Använd knapparna < eller > för att flytta markören till önskad kanal (markerad kanal blinkar rött).
1.3 - Tryck till på knappen "OK" för att välja kanal för registrering. Lysdioden för den valda kanalen börjar blinka grönt.
1.4 - Upprepa steg två och tre tills alla kanaler som ska registreras med den specifika termostaten är valda (valda lysdioder blinkar grönt).
Steg 2 - På din termostat T-165/T-145
2.1 - Håll in registreringsknappen på termostaten(liten avlång rektangel med en kula på), släpp knappen så fort lysdioden nere till höger på framsidan av termostaten börjar blinka rött. Lysdioden för den valda kanalen på reglercentralen lyser nu fast grön och registreringen är klar för termostaten. Nästa lediga kanal börjar blinka rött i reglercentralen.

Placering av knappar T-165/T-145
2.2 - Upprepa alla steg från och med steg 1.2 tills alla rumstermostater har registrerats och samtliga kanaler som ska programmerats lyser med ett fast grönt sken. För att avsluta registrering och återvända till driftläge, håll in knappen "OK" på reglercentralen i ca. tre sekunder tills de gröna lysdioderna slocknar.
Gäller det ominstallation av termostat på befintlig kanal se då fråga:
"Hur omregistrerar jag befintlig kanal på reglercentralen?"
Vill du hellre se en installationsvideo?
Installationsvideo av termostat T-161/T-141
Steg 1 - På Reglercentral
1.1 - Håll in knappen "OK" på reglercentralen i ca. tre sekunder tills lysdioden för kanal ett (eller den första oregistrerade kanalen) blinkar rött.
1.2 - Använd knapparna < eller > för att flytta markören till önskad kanal (markerad kanal blinkar rött).
1.3 - Tryck till på knappen "OK" för att välja kanal för registrering. Lysdioden för den valda kanalen börjar blinka grönt.
1.4 - Upprepa steg två och tre tills alla kanaler som ska registreras med den specifika termostaten är valda (valda lysdioder blinkar grönt).
Steg 2 - På din termostat T-161/T-141
2.1 - Håll in registreringsknappen på termostaten(baktill nere till höger), släpp knappen så fort lysdioden på framsidan av termostaten börjar blinka rött. Lysdioden för den valda kanalen på reglercentralen lyser nu fast grön och registreringen är klar för termostaten. Nästa lediga kanal börjar blinka rött i reglercentralen.

Placering av registreringsknapp T-161/T-141
2.2 - Upprepa alla steg från och med steg 1.2 tills alla rumstermostater har registrerats och samtliga kanaler som ska programmerats lyser med ett fast grönt sken. För att avsluta registrering och återvända till driftläge, håll in knappen "OK" på reglercentralen i ca. tre sekunder tills de gröna lysdioderna slocknar.
Gäller det ominstallation av termostat på befintlig kanal se då fråga:
"Hur omregistrerar jag befintlig kanal på reglercentralen?"
Vill du hellre se en installationsvideo?
Installationsvideo av termostat T-144
Steg 1 - På Reglercentral
1.1 - Håll in knappen "OK" på reglercentralen i ca. tre sekunder tills lysdioden för kanal ett (eller den första oregistrerade kanalen) blinkar rött.
1.2 - Använd knapparna < eller > för att flytta markören till önskad kanal (markerad kanal blinkar rött).
1.3 - Tryck till på knappen "OK" för att välja kanal för registrering. Lysdioden för den valda kanalen börjar blinka grönt.
1.4 - Upprepa steg två och tre tills alla kanaler som ska registreras med den specifika termostaten är valda (valda lysdioder blinkar grönt).
Steg 2 - På din termostat T-144
2.1 - Håll in registreringsknappen på termostaten med ett spetsigt föremål, släpp knappen så fort lysdioden på framsidan av termostaten börjar blinka rött. Lysdioden för den valda kanalen på reglercentralen lyser nu fast grön och registreringen är klar för termostaten. Nästa lediga kanal börjar blinka rött i reglercentralen.
Placering av registreringsknapp T-144
2.2 - Upprepa alla steg från och med steg 1.2 tills alla rumstermostater har registrerats och samtliga kanaler som ska programmerats lyser med ett fast grönt sken. För att avsluta registrering och återvända till driftläge, håll in knappen "OK" på reglercentralen i ca. tre sekunder tills de gröna lysdioderna slocknar.
Installationsvideo - Registrera om befintlig kanal i reglercentralen
Steg 1 - Börja med att avregistrera önskad kanal
1.1 - Håll in knappen "OK" på reglercentralen i ca. tre sekunder tills lysdioden för kanal ett (eller den första oregistrerade kanalen) blinkar rött.
1.2 - Använd knapparna < eller > för att flytta markören till önskad kanal (markerad kanal blinkar rött/grönt).
1.3 - Håll in pilknapparna < > samtidigt och släpp så fort vald kanal endast blinkar rött (tar ungefär tre sekunder).
1.4 - Upprepa steg 1.2 och 1.3 om du vill avregistrera fler kanaler.
Steg 2 - Registrera ny termostat på tömda kanaler
2.1 - Använd knapparna < eller > för att flytta markören till önskad kanal (markerad kanal blinkar rött).
2.2 - Tryck till på knappen "OK" för att välja kanal för registrering. Lysdioden för den valda kanalen börjar blinka grönt.
2.3 - Upprepa steg två och tre tills alla kanaler som ska registreras med den specifika termostaten är valda (valda lysdioder blinkar grönt).
På din termostat T-169/T-149
Håll in knapparna ^ och v på termostaten tills en antennsymbol/filträd visas på displayen. En "OK" bock visas på displayen och lysdioden för den valda kanalen lyser nu fast grön och registreringen är klar. Nästa lediga kanal börjar blinka rött i reglercentralen.

Placering av knappar T-169

Placering av knappar T-149
Upprepa alla steg från och med steg 2.1 tills alla rumstermostater har registrerats och samtliga kanaler som ska programmerats lyser med ett fast grönt sken. För att avsluta registrering och återvända till driftläge, håll in knappen "OK" på reglercentralen i ca. tre sekunder tills de gröna lysdioderna slocknar.
Håll in registreringsknappen på termostaten(liten avlång rektangel med en kula på), släpp knappen så fort lysdioden nere till höger på framsidan av termostaten börjar blinka rött. Lysdioden för den valda kanalen på reglercentralen lyser nu fast grön och registreringen är klar för termostaten. Nästa lediga kanal börjar blinka rött i reglercentralen.

Placering av knappar T-165/T-145
Upprepa alla steg från och med steg 2.1 tills alla rumstermostater har registrerats och samtliga kanaler som ska programmerats lyser med ett fast grönt sken. För att avsluta registrering och återvända till driftläge, håll in knappen "OK" på reglercentralen i ca. tre sekunder tills de gröna lysdioderna slocknar.
För övriga termostater hänvisar vi till Snabbguiden för Smatrix Pulse Base(trådbunden). eller för Smatrix Pulse Wave (trådlöst).
Fabrikåterställning termostat T-169/T-149
OBS! Notera att fabrikåterställning kräver en omregistrering av termostat till reglercentralen!
Håll in alla tre knapparna på höger sida < O > tills att displayen startar om efter ca 5 sekunder. När displayen slocknar kan ni släppa knapparna. Nu är termostaten fabrikåterställd.
Placering av knappar T-169/T-149
Håll in alla tre knapparna på framsidan - + och OK tills att displayen startar om efter ca 5 sekunder. När displayen slocknar kan ni släppa knapparna. Nu är termostaten fabrikåterställd.
Placering av knappar T-166/T-146
Se fråga "Hur installerar jag Smatrix termostat ..." för att registrera din termostatmodell.

Exempel: Inkoppling termostat till termostat

Exempel: Inkoppling två i samma ingång och övriga i separata
Om ni använder termostater utan display och vill kunna fjärrstyra dem via Smatrix Pulse 2‑appen, behöver ni göra följande:
- Öppna Smatrix Pulse 2‑appen och välj den termostat ni vill styra.
- Scrolla längst ner på termostatens sida och tryck på "Rumsinställningar".
- Aktivera alternativet "Åsidosätt termostatvärde".
Viktigt att veta
När funktionen Åsidosätt är aktiverad:
- Den blå ljusringen runt vredet på termostat T‑165 slutar att lysa när du rör vid vredet.
- Detta är helt normalt och betyder att temperaturen nu endast kan ändras via appen, inte på själva termostaten.
FAQ - Reglercentral och kommunikationsmodul
Länkning av reglercentraler krävs endast om du önskar styra flera med till exempel med appstyrning (kommunikationsmodul R-208).
Trådlösa systemet (Smatrix Wave) länkar samman trådlöst med övriga reglercentraler med antenn.
Trådbundna systemet (Smatrix Base) kräver en trådbunden, 3-ledad kabelanslutning mellan reglercentralerna.
Trådbundna reglercentraler måste kopplas med 3-ledad kabel innan länkning
Det går bra att både serie- och paralellkoppla, se exempel nedan.
Seriekopplat
.png?sitename=SwedenBLD)
Parallellkopplat
.png?sitename=SwedenBLD)
Installationsvideo - Länka samman reglercentraler
Länkning av reglercentraler krävs endast om du önskar styra flera med till exempel med appstyrning (kommunikationsmodul R-208).
Trådlösa systemet (Smatrix Wave) länkar samman trådlöst med övriga reglercentraler med antenn.
Trådbundna systemet (Smatrix Base) kräver en trådbunden, 3-ledad kabelanslutning mellan reglercentralerna.
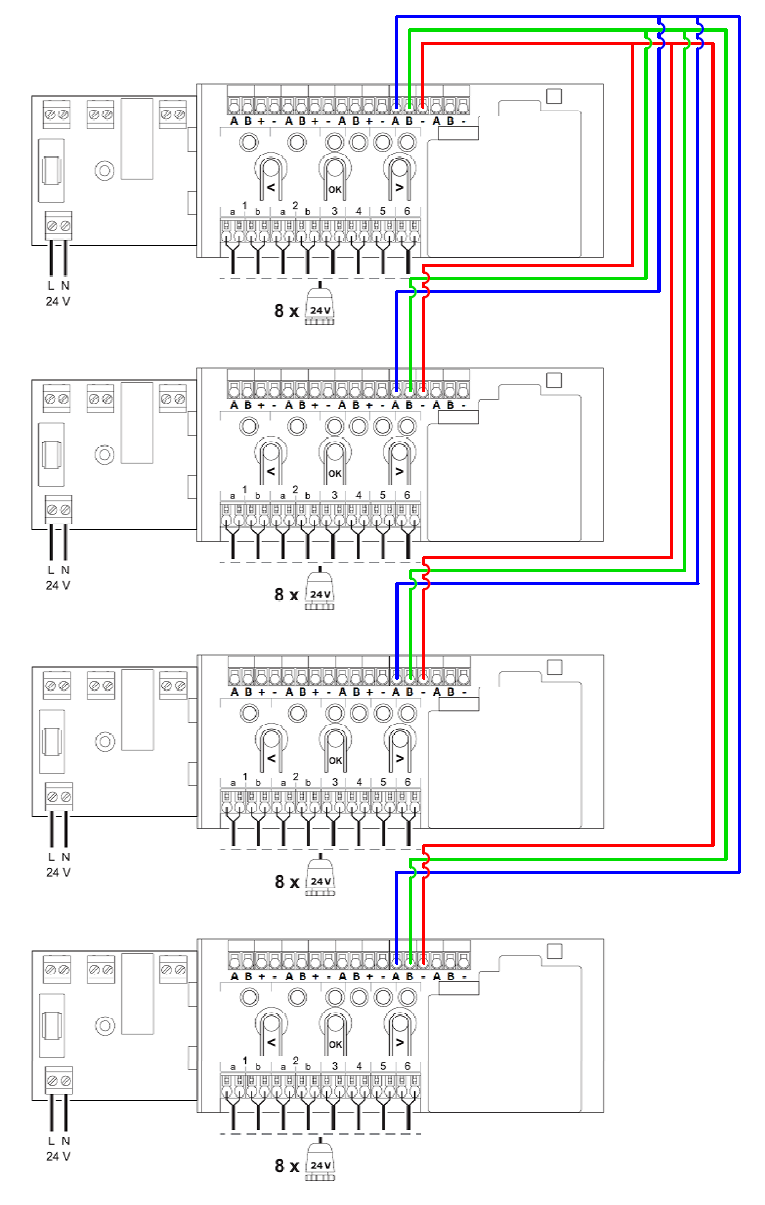
Så här länkar du samman reglercentraler
För första reglercentralen med kommunikationsmodul R-208
1.1 - Håll in knappen "OK" på reglercentralen med kommunikationsmodul R-208 (Master) i ca. tre sekunder tills registerade kanaler börja lysa grönt och en markörlampa blinkar rött på en av kanalerna. (Blinkar kanalen rött/grönt står markören på en redan registrerad kanal).
1.2 - Använd knapparna < eller > för att flytta markören till strömlampan.
1.3 - Tryck till på knappen "OK". Första kanalen blinkar rött. Du är nu i menyn för systemenheter.
1.4 - Tryck till på knappen "OK" en gång till. Första kanalen blinkar nu grönt.
För resterande reglercentraler, två till fyra (med vanlig antenn om det är trådlöst system)
1.1 - Håll in knappen "OK" på reglercentralen i ca. tre sekunder tills lysdioden för kanal ett (eller den första oregistrerade kanalen) blinkar rött.
1.2 - Använd knapparna < eller > för att flytta markören till strömlampan, så den blinkar rött.
1.3 - Tryck till på knappen "OK". Du är nu i menyn för systemenheter. Första kanalen blinkar rött.
1.4 - Tryck till på knappen "OK" en gång till. Första kanalen lyser nu med ett fast grönt sken, och markeringslamppan ställer sig på nästa lediga kanal och blinkar rött.
1.5 - Gå till nästa reglercentral och upprepa ovanstående steg.
När alla reglercentraler har ett fast grönt sken på kanal ett i menyn för systemenheter, är länkningen klar.
Återgå till driftläge genom att hålla in "OK"-knappen på samtliga reglercentraler, en i taget. Strömlampan lyser grönt när reglercentralen är i driftläge.
Installationsvideo - Registrera om befintlig kanal i reglercentralen
Steg 1 - Börja med att avregistrera önskad kanal
1.1 - Håll in knappen "OK" på reglercentralen i ca. tre sekunder tills lysdioden för kanal ett (eller den första oregistrerade kanalen) blinkar rött.
1.2 - Använd knapparna < eller > för att flytta markören till önskad kanal (markerad kanal blinkar rött/grönt).
1.3 - Håll in pilknapparna < > samtidigt och släpp så fort vald kanal endast blinkar rött (tar ungefär tre sekunder).
1.4 - Upprepa steg 1.2 och 1.3 om du vill avregistrera fler kanaler.
Steg 2 - Registrera ny termostat på tömda kanaler
2.1 - Använd knapparna < eller > för att flytta markören till önskad kanal (markerad kanal blinkar rött).
2.2 - Tryck till på knappen "OK" för att välja kanal för registrering. Lysdioden för den valda kanalen börjar blinka grönt.
2.3 - Upprepa steg två och tre tills alla kanaler som ska registreras med den specifika termostaten är valda (valda lysdioder blinkar grönt).
Håll in knapparna ^ och v på termostaten tills en antennsymbol/filträd visas på displayen. En "OK" bock visas på displayen och lysdioden för den valda kanalen lyser nu fast grön och registreringen är klar. Nästa lediga kanal börjar blinka rött i reglercentralen.

Placering av knappar T-169

Placering av knappar T-149
Upprepa alla steg från och med steg 2.1 tills alla rumstermostater har registrerats och samtliga kanaler som ska programmerats lyser med ett fast grönt sken. För att avsluta registrering och återvända till driftläge, håll in knappen "OK" på reglercentralen i ca. tre sekunder tills de gröna lysdioderna slocknar.
Håll in registreringsknappen på termostaten(liten avlång rektangel med en kula på), släpp knappen så fort lysdioden nere till höger på framsidan av termostaten börjar blinka rött. Lysdioden för den valda kanalen på reglercentralen lyser nu fast grön och registreringen är klar för termostaten. Nästa lediga kanal börjar blinka rött i reglercentralen.

Placering av knappar T-165/T-145
Upprepa alla steg från och med steg 2.1 tills alla rumstermostater har registrerats och samtliga kanaler som ska programmerats lyser med ett fast grönt sken. För att avsluta registrering och återvända till driftläge, håll in knappen "OK" på reglercentralen i ca. tre sekunder tills de gröna lysdioderna slocknar.
För övriga termostater hänvisar vi till Snabbguiden för Smatrix Pulse Base(trådbunden). eller för Smatrix Pulse Wave (trådlöst).

Uponor Styrdon med hatt som reser sig.
Vänster: Stängd. Höger: Öppen

Uponor Styrdon med infasat indikationsfönster
Vänster: Stängd. Höger: Öppen
Smatrix Pulse använder 2.4 GHz på grund av att det ger bättre täckning, men till en lägre hastighet.
De flesta nya routrar stöder även 5 GHz vilket kan ställa till problem om 2.4 GHZ inte är aktiverad eller om du försöker koppla upp dig mot 5 GHz.
Om routern använder separata SSID för 2.4 GHz och 5GHz, säkerställ att båda är inom samma IP-adress-spann och samma subnät.
När en reglercentral kopplas till en kommunikationsmodul, blir den per automatik satt till status att vara en Master reglercentral.
Gör en fabriksåterställning av din reglercentral(den som inte ska vara Master men ändå blivit det), och länka därefter den till Master Reglercentralen.
OBS! tänk på att registrera minst en termostat på varje reglercentral innan länkningen görs.
Den har inga batterier. Den får sin strömförsörjning via reglercentralen (kommunikationskabeln mellan enheterna).
Denna brytare är aktiv som standard.
Den bryter varje gång ingen kanal kallar på värme och sluter varje gång en kanal aktiveras.
Har man kommunikationsmodul R-208 går det att inaktivera reläet om man inte använder pumpstopp.
Ändra Reläkonfiguration till "Ej konfigurerad" i Smatrix Pulse 2 app.
Meny-->Systeminställningar-->Installatörsinställningar-->Reläer för reglercentral-->Ej Konfigurerad

FAQ - Styrning Push 12
Som alla värmesystem behöver golvvärmesystem en reglering av vattentemperatur och flöde. Om golvvärmen byggs ihop med ett annat värmesystem, t.ex radiatorvärme, behövs i regel pump- och shuntgruppen eftersom golvvärmen oftast kräver större flöde och lägre vattentemperatur än andra värmesystem.
Push 12 som beskrivs i denna flik tillämpas främst i renoveringar där man vill göra om ett rum till golvärme istället för att ha t.ex. en radiator i rummet.
Man kan enkelt ansluta Push 12ans radiatorkoppling mot de befintliga rören för radiatorn eller om man väljer dra fram en ny matning.
Termostatdelen på ventilen ställs in på en lämplig temperatur för golvvärmesystemet.
Reglaget bör justeras då de yttre temperaturförhållandena ändras.
Samma gäller för Uponor ElPush 12 och Push 12 med trådlös reglering men här ställs rumstemperaturen in med den digitala rumstermostaten. Nedan visas den ungefärliga framledningstemperaturen vid inställt värde (1 – 8) på ventilen.


Placering av lampa på reläet
På din termostat T-169/T-149
Håll in knapparna ^ och v på termostaten tills en antennsymbol visas på displayen, då kan ni släppa. En "OK" bock visas på displayen.

Placering av knappar på T-169
På din termostat T-166
Håll in knapparna - och + på termostaten tills en antennsymbol visas på displayen, då kan du släppa.

Placering av knappar på T-166
På din termostat T-165/T-145
Håll in registreringsknappen på termostaten (liten avlång rektangel med en kula på). Släpp knappen så fort lysdioden nere till höger på framsidan av termostaten börjar blinka rött.

Placering av knappar på T-165/T-145
Lampan längst till höger på reläet blinkar snabbt för att sedan slockna. Nu är termostaten registrerad.
Handsymbolen på reläet (lampa längst till vänster) lyser med rött fast sken när termostaten kallar på värme och är släckt när den inte kallar på värme.

- Lampan på mottagarenheten längst till vänster (C) lyser rött när termostaten i rummet kallar på värme. När den inte kallar på värme så är den släckt.
- Lampan i mitten(D) är alltid släckt.
- Lampan längst till höger (E) flimrar till ibland när den kommunicerar med termostaten.

- Lampan på mottagarenheten längst till vänster (C) lyser rött när termostaten i rummet kallar på värme. När den inte kallar på värme så är den släckt.
- Lampan i mitten(D) Röd = Aktivt sommarläge (Endast elpatron, styrdon alltid stängd), Blå = Vinterläge (Endast primärvärme, elpatron aktivera inte), Röd/Blå(blinkar ibland) = Automatiskt läge (Känner av själv när elpatron ska vara aktiv kontra om det finns tillgång till primärvärme) .
- Lampan längst till höger (E) flimrar till ibland när den kommunicerar med termostaten.
Har du ett system, till excempel en bottenvåning med Smatrix Pulse Wave med kommunikationsmodul och har ett badrum på övervåningen med en Push 12 med trådlös styrning så kan ni styra även badrummet via appen.
Steg 1:
Registrera termostatenmodellen ni har på mot en ledig kanal i reglercentralen (måste finnas en ledig kanal för att kunna utföra detta, är alla 12 kanalerna upptagna är denna intruktion inte möjlig att utföra). Steg 2:
Håll in handsymbolen på reläet till att lampan längst till höger lampa blinkar.

Placering av lampa på reläet
Steg 3:
På din termostat T-169
Håll in knapparna mittenknappen på termostaten tills ni kommer till menyn för termostaten i dispayen, då kan ni bläddra er fram till meny 09 med upp (^) eller ner (v) pilen.
Klicka en gång OK (mittenknappen) så ni kommer in på meny 09 (en antennsybol och "No" visas), sedan klickar ni på upp pilen (^) så att "No" ändras till "CNF".
När ni kommer till "CNF" bör termosten automatiskt skicka signal till reläet och koppla sig mot denna.
Lampan längst till höger blinkar snabbare och slocknar på reläet, detta betyder att termostatern är nu parkopplad.
Tryck på OK för att bekräfta parameterändringen.
På din termostat T-166
Håll in OK knappen på termostaten tills ni kommer till menyn för termostaten i dispayen, då kan ni bläddra er fram till meny 09 med + knappen.
Klicka en gång OK så ni kommer in på meny 09 (Int), sedan klickar ni på + knappen två gånger tills¨att det står "CNF".
När ni kommer till "CNF" bör termosten automatiskt skicka signal till reläet och koppla sig mot denna.
Lampan längst till höger blinkar snabbare och slocknar på reläet, detta betyder att termostatern är nu parkopplad.
Tryck på OK för att bekräfta parameterändringen.


Fördelarskåp Push-12 RSK 2987827
Ram till skåp. Monteras efter ytskicktet är klart. Dörren som medföljde skåpet flyttas och monteras därefter i ramen.
Ramen går att montera mot ett skåp som ligger upp till ca40mm innanför färdig vägg med befintliga fästen.

Skåpsram Push-12 RSK 2987940

Mått fördelarskåp Push-12 RSK 2987827
Ramen har utvändiga mått:
- Höjd: 645mm
- Bredd: 530mm
- Djup: 20mm

Vägledande tabell på kapacitet för Push 12 med olika dimensioner av rör
Push 12 kan byggas ut med upp till 5 slingor med WTR fördelare C/C 50.

Bild: Uponor Push 12 med påkopplad WTR fördelare för 3 slingor
- 1st 2988789 Uponor Fluvia T Push-12 WL-G
- 2st kopplingsset (2434388 = 9,9mm, 2434579 = 12mm, 2434580 = 17mm, 2434581 = 20mm)
Materiallista Push 12 WL-G med grenrör
- 1st 2988789 Uponor Fluvia T Push-12 WL-G
- 1par 4810004 Uponor Fluvia Push-12 Grenrör (eller 2434386 grenrör utan strypning om två lika långa slingor läggs)
- 4st kopplingsset (välj mellan dimension 2434388 = 9,9mm, 2434579 = 12mm, 2434580 = 17mm, 2434581 = 20mm)
- 1st 2988789 Uponor Fluvia T Push-12 WL-G
- 2st 1870900 Uponor Aqua PLUS Fördelare utan kpl WTR DR (3 stick)
- 1st 2418621 Uponor Fluvia Lock med avluftning
- 1st 1228061 Uponor Aqua PLUS Lock med packning
- 3st 5398216 Uponor Fluvia Returventil
- 3st 2418620 Uponor Fluvia Vinkel utv x löpmutter
- 3st 2417947 Uponor Fit Bussning utvändig-invändig
- 6st kopplingsset 3/4" (välj dimension 2434580 = 17mm)
- 1st 2988789 Uponor Fluvia T Push-12 WL-G
- 2st 1870899 Uponor Aqua PLUS Fördelare utan kpl WTR DR (2 stick)
- 2st 1870900 Uponor Aqua PLUS Fördelare utan kpl WTR DR (3 stick)
- 1st 2418621 Uponor Fluvia Lock med avluftning
- 1st 1228061 Uponor Aqua PLUS Lock med packning
- 3st 2418620 Uponor Fluvia Vinkel utv x löpmutter
- 5st 2418594 Uponor Fluvia Returventil inkl. kopplingsset för 12mm rör
- 5st kopplingsset 1/2", R15 RSK 1881329 = 12mm (Alt. 5st bussningar RSK 2417947 samt 5st kopplingsset RSK 2434579 = 12mm)
Ljudfil på grundfos drivsida med luft monterad på en Push 12 (filen laddas ner på datorn)
Ljudfil.mp3
Instruktion för avluftning (pdf)
Avlufta Push 12
För att montera loss drivsidan i samband med rengöring kan man följa stegen i dokumentet nedan.
Push 12 åtgarder vid missljud
Elpatronens huvudsyfte är att ta bort upplevelsen av kalla golv i t.ex. ett badrum med klinkers när värmesystemet inte är igång på sommarhalvåret.
Paketet består av:
- 1st Trådlös Termostat T-166
- 1st Relä X-162: 230V med 230V utgång för styrdon
- 1st Styrdon Vario B 230V, M28 x 1.5 mm invändig gänga
- 1st Elpatron, ca 500 W, vänster eller högermontage, för anslutning till pumpgrupp Push 12
- 1st Säkerhetsventil 2,5 bar

Uponor Fluvia T Reglerset med elpatron för Push 12, RSK 2987745

Placering av lampor på reläet
På din termostat T-169
Håll in alla tre knapparna på höger sida < O > tills att displayen startar om efter ca 5 sekunder. När displayen slocknar kan ni släppa knapparna. Nu är termostaten fabrikåterställd.
Placering av knappar på T-169
På din termostat T-166
Håll in alla tre knapparna på framsidan - + och OK tills att displayen startar om efter ca 5 sekunder. När displayen slocknar kan ni släppa knapparna. Nu är termostaten fabrikåterställd.
Placering av knappar på T-166
Efter fabrikåterställningen kan ni återkoppla termostaten till mottagaren genom att följa stegen för:
"Installera termostat till M-161/X-162"
FAQ - Allmänt

Har du en mässingsfördelare med vita eller gröna Wirsbostyrdon eller blåa Uponorstyrdon ska du köpa styrdon med RSK nr: 2973126 med M-28 invändig gäng (grön ring).

Har du en rostfri fördelare ska du köpa styrdon med RSK nr: 2973122 med M-30 invändig gäng.

Har du ett annat fabrikat på fördelaren?
Då kan du sannolikt använda vårt universalstyrdon med RSK nr: 2973126 som har tre 4 st. olika adapterringar (VA 16H, VA 26, VA32, VA 50).
Se gärna vår kompatibilitetslista för att se om din fördelare finns bland dessa.
Universalstyrdon - Kompatibilitetslista

Manualer ( Smatrix Pulse 2020 - )
Uponor Smatrix Pulse Wave - Snabbguide
Allt du behöver veta för att snabbt komma igång med din Smatrix Pulse Wave rumsreglering
Uponor Smatrix Pulse - Installations- och användarmanual
Allt du behöver veta för att installera och använda din Uponor Smatrix Pulse rumsreglering
Uponor Smatrix Pulse Base - Snabbguide
Allt du behöver för att komma igång med din Smatrix Pulse Base rumsreglering
Uponor Smatrix Pulse Base - Installations- och användarmanual
Allt du behöver för att installera och använda din Smatrix Pulse Base rumsreglering
Kontakta våra Premium Installers för att uppgradera din golvvärmereglering
Uponor Premium Installer är ett unikt nätverkskoncept som riktar sig till duktiga installatörer med hög servicenivå och fackmannamässigt utförda arbeten. Med en Premium Installer som hjälper dig uppgradera din golvvärmereglering kan du känna dig trygg att du får ett snabbt, proffsigt och noggrant utfört arbete.
Våra övriga system för golvvärmereglering
Smatrix (2015 - 2020)
- Vanliga frågor och svar
- Instruktionsvideor
- Manualer och uppdateringsfiler
- Uppgraderingsguide
Behöver du fortfarande hjälp?
Kontakta oss gärna på kundtjanst.vvs@uponor.com







