SEWER CHAMBER 400/160 T1 PP

SEWER CHAMBER 400/160 T1 PP
Part no.1050459

Item details

Technical data

Item UOMPiece
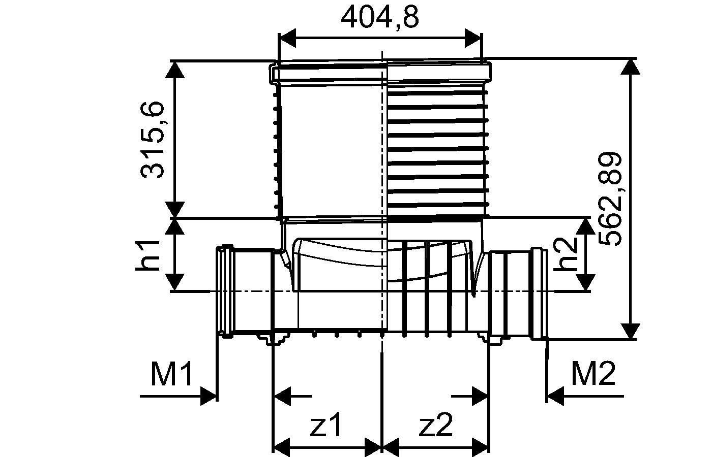
Inner_diameter_di400 mm
Length (l)660 mm
Z-measurement h563 mm
Z-measurement h192 mm
Z-measurement h297 mm
Z-measurement M316 mm
Z-measurement M1116 mm
z1204 mm
z2225 mm

Packaging

Packaging Quantity 48

Documents

Environmental Product Declaration (EPD)
640 B0000121889

ENVIRONMENTAL PRODUCT DECLARATION