Fill the BIM cart from the product catalogue
Our customer service email addresses have changed - Overview

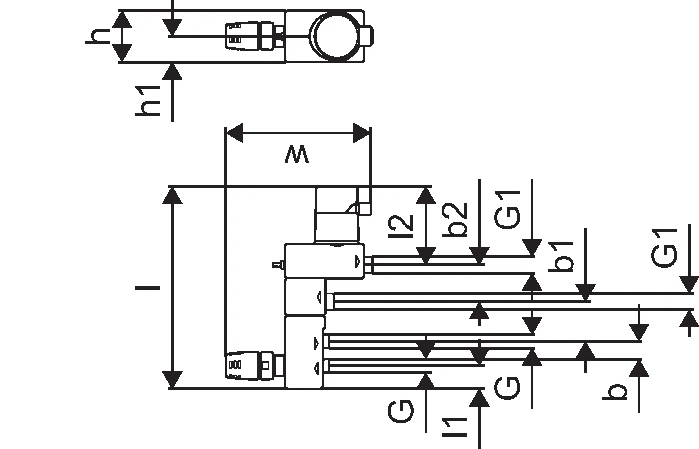
Uponor Fluvia T pumpgroup Push-12 TH-G

- Integrated pump: Q: 0,1 - 0,4 m³/h, H: 0,2 - 1,1 m, Phyd< 1W
- Bracket for left- or right installation
- Air bleed screw
- Secondary circuit temp. range 20-50°C
- Balancing valve
- Secondary loop 3/4"" eurocone
- Primary valves with clampconnection for CU-Pipe 15mm
- For control of UFH in small zones
- Max. primary temperature: 90°C
- Max. secondary temperature: 55°C
- Pumpgroup with thermostat 12-28°C
- Secondary max. temperature limiter by 50°C
- Room sensor head with capillary sensor

Uponor Fluvia T pumpgroup Push-12 TH-G

Item details

Uponor Fluvia T pumpgroup Push-12 TH-G

Documents

Installation and Operation Manual
764 B1095413

Installation and Operation Manual Fluvia T pumpgroup Push-12 TH-G (1095413)

Application information

Specification

- Integrated pump: Q: 0,1 - 0,4 m³/h, H: 0,2 - 1,1 m, Phyd< 1W
- Bracket for left- or right installation
- Air bleed screw
- Secondary circuit temp. range 20-50°C
- Balancing valve
- Secondary loop 3/4" eurocone
- Primary valves with clampconnection for CU-Pipe 15mm

Application

- For control of UFH in small zones
- Max. primary temperature: 90°C
- Max. secondary temperature: 55°C

Product drawings

1095127_REN
1095127
296 B
1095127_REN
1095127
96 B
1095127_LAB
1095127
78 B
1095127_ZMD
1095127
161 B