Fill the BIM cart from the product catalogue
Our customer service email addresses have changed - Overview

Uponor S-Press elbow female thread 50-Rp1 1/2"FT

Uponor S-Press elbow female thread 50-Rp1 1/2"FT
Part no.1046912

Item details

Dimensions

Item Unit Width53
Item Unit Weight0,64
Item_UOMpce
Item Unit Height85
Item Unit Length105

Measurements

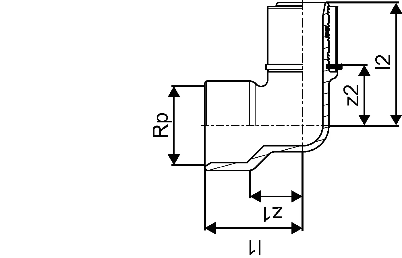
Female thread Rp1,5
Z240,8
z137,6
Length (l1)59
Length (l2)78,5

Packaging

Packaging GTIN PL406414905555284
Packaging Length PL1176
Packaging Volume PL10,00373296
Packaging Width PL1202
Packaging GTIN PL106414905460571
Packaging Height PL4645
Packaging Type PL4Pallet
Packaging Weight PL4215,4
Packaging Quantity PL13
Packaging Length PL4800
Packaging Volume PL40,6192
Packaging Width PL41200
Packaging Quantity PL4300
Packaging Height PL1105
Packaging Type PL1Base_Box
Packaging Weight PL11,954

Product code

Item no EAN4021598114098
Item no GTIN04021598114098
Item no GF35001046912
Item no VVS045472445

Product Name

Product Type WindchillBLDE Finished Good

Documents

Installation Report
116 B1120119

Installation Report MLC leak test report TW water (1120119)

Installation Report
127 B1120120

Installation Report MLC flushing protocol TW water (1120120)

Installation Report
110 B1120118

Installation Report MLC leak test report TW air-gas (1120118)

Environmental Product Declaration (EPD)
899 B1162876

Uponor EPD S-Press (1162876)