Fill the BIM cart from the product catalogue

Uponor Ecoflex reducer male x female

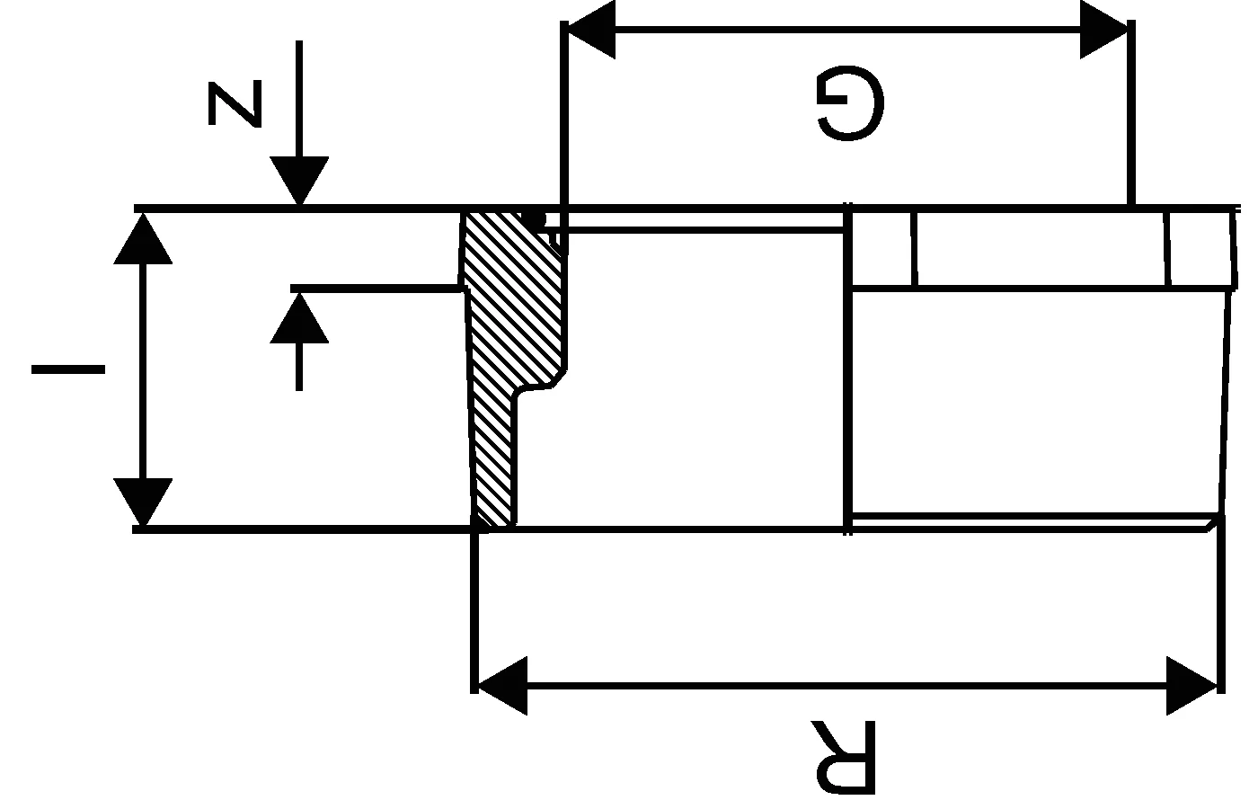
- Outer tapered thread R" - requires a suitable sealing medium
- Inner parallel thread G" with sealing ring for use with Wipex
- 6 bar, SDR 11 / 10bar, SDR 7,4
- DZR - dezincification resistant brass

Uponor Ecoflex reducer male x female

Item details

Uponor Ecoflex reducer male x female R4-G3

Documents

Installation Report
137 B1120219

Installation Report Ecoflex pressure test water pipes (1120219)

Installation Report
162 B1120218

Installation Report Ecoflex pressure test heating (1120218)

Product Information
968 B1142158

PI Ecoflex pipe systems UK 1142158

About

Specification

- Wipex fittings in corrosion-resistant brass, dezincification
to BS EN ISO 6509 with stainless steel screw.
- Sizes 25-110mm, O-ring sealing between Wipex coupling
and base fitting
- Sizes 125-160mm, threads must be sealed using a suitable
sealing medium
- Bolt set for couplers in stainless steel with brass washer
- Pre-open sleeve design with assembled support part for
the dimension 63-110mm.

Application

- Fittings for pipe systems Thermo, Aqua, Quattro, Supra,
Supra PLUS and Thermo HP
- Connection of PE and PE-Xa carrier pipes to couplers
- Parallel G male thread
- Max. operating temperature 95°C

Certification

UK Reg4 approval
- WRAS or
- KIWA
To meet the requirements of the Water Supply (Water Fittings) Regulations 1999

Product drawings

1078369_REN
1078369
556 B
1078369_LAB
1078369
171 B
1078369_ZMD
1078369
24 B