SEWER CHAMBER 400/200 T4 RIGHT PP

SEWER CHAMBER 400/200 T4 RIGHT PP
Part no.1050470

Item details

Technical data

Item UOMPiece
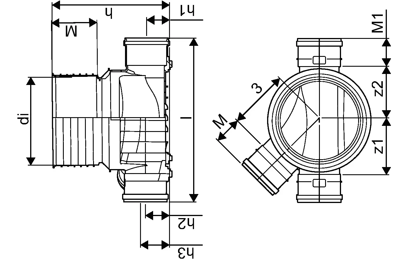
Inner_diameter_di400 mm
Length (l)710 mm
Z-measurement h608 mm
Z-measurement h1114 mm
Z-measurement h2121 mm
Z-measurement h3141 mm
Z-measurement M316 mm
Z-measurement M1135 mm
z1287 mm
z2155 mm
z3269 mm

Packaging

Packaging Quantity 48

Documents

Environmental Product Declaration (EPD)
640 B0000121889

ENVIRONMENTAL PRODUCT DECLARATION