Fill the BIM cart from the product catalogue
Our customer service email addresses have changed - Overview

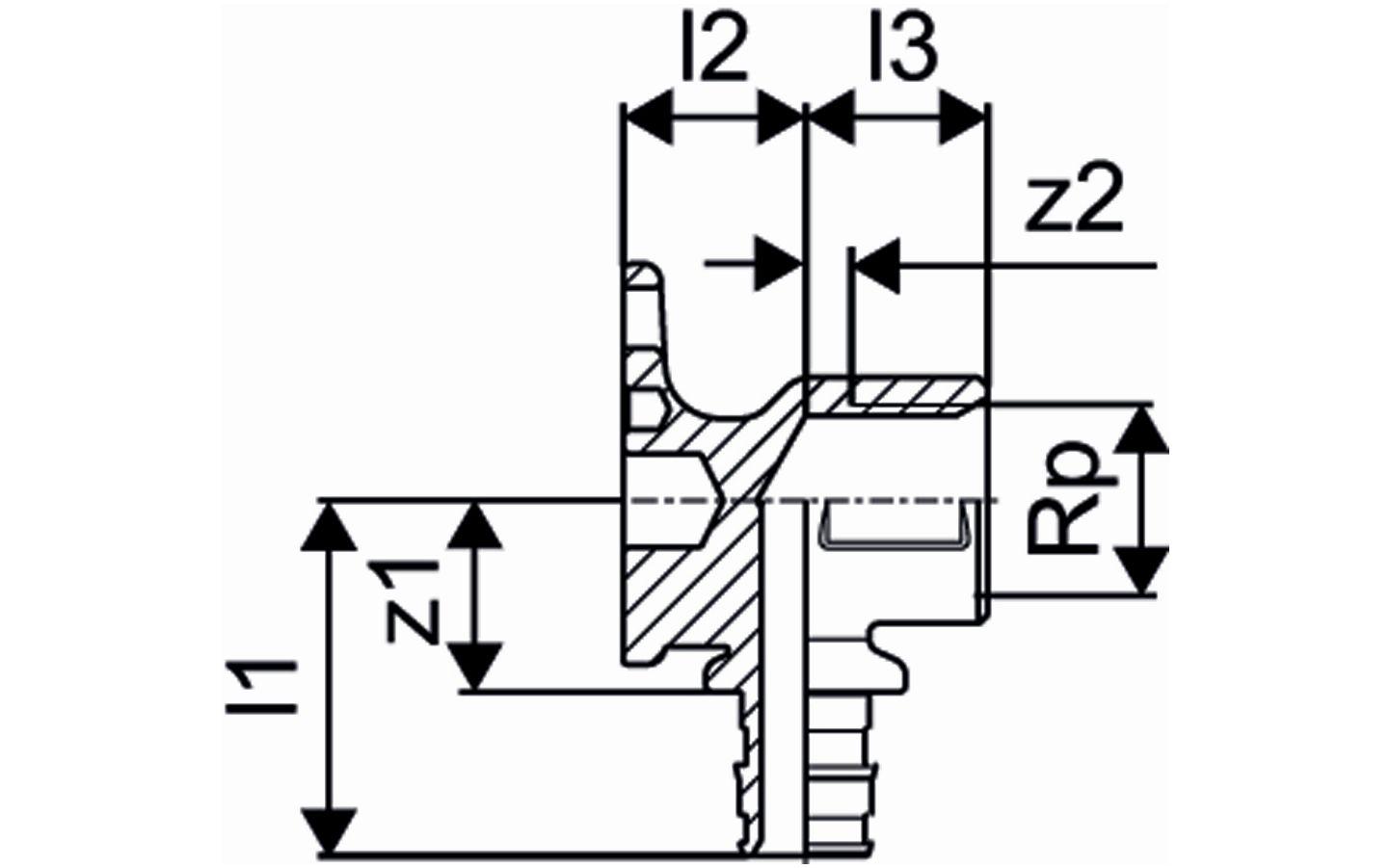
Uponor Smart Aqua tap elbow Q&E DR M

Uponor Smart Aqua tap elbow Q&E DR M

Item details

Uponor Smart Aqua tap elbow Q&E DR M 16-1/2"

Documents

Installation Manual
1 KB1121763

Installation Manual Q&E 9,9-50 (1121763)

Technical information
1 KB1118689

Technical Information PE-Xa piping systems (1118689)

Installation Manual
1 KB1062301

Installation Manual Uni Pipe PLUS (1062301)

Application information

Specification

- Elbows for tap connection and
- Q&E rings must be ordered separately if not different mentioned

Application

- For tap water installations

if not different mentioned:
- Male and female threads acc.to EN 10226-1.

Product drawings

1063871_REN
1063871
484 B
1063871_REN
1063871
79 B
1063871_ZMD
1063871
87 B