Fill the BIM cart from the product catalogue

Uponor Q&E elbow adapter male LF

- Made of lead free brass acc. to A5G4 of NCC 2022
- Watermark approved
- Note: Q&E ring must be ordered separately

Uponor Q&E elbow adapter male LF

Item details

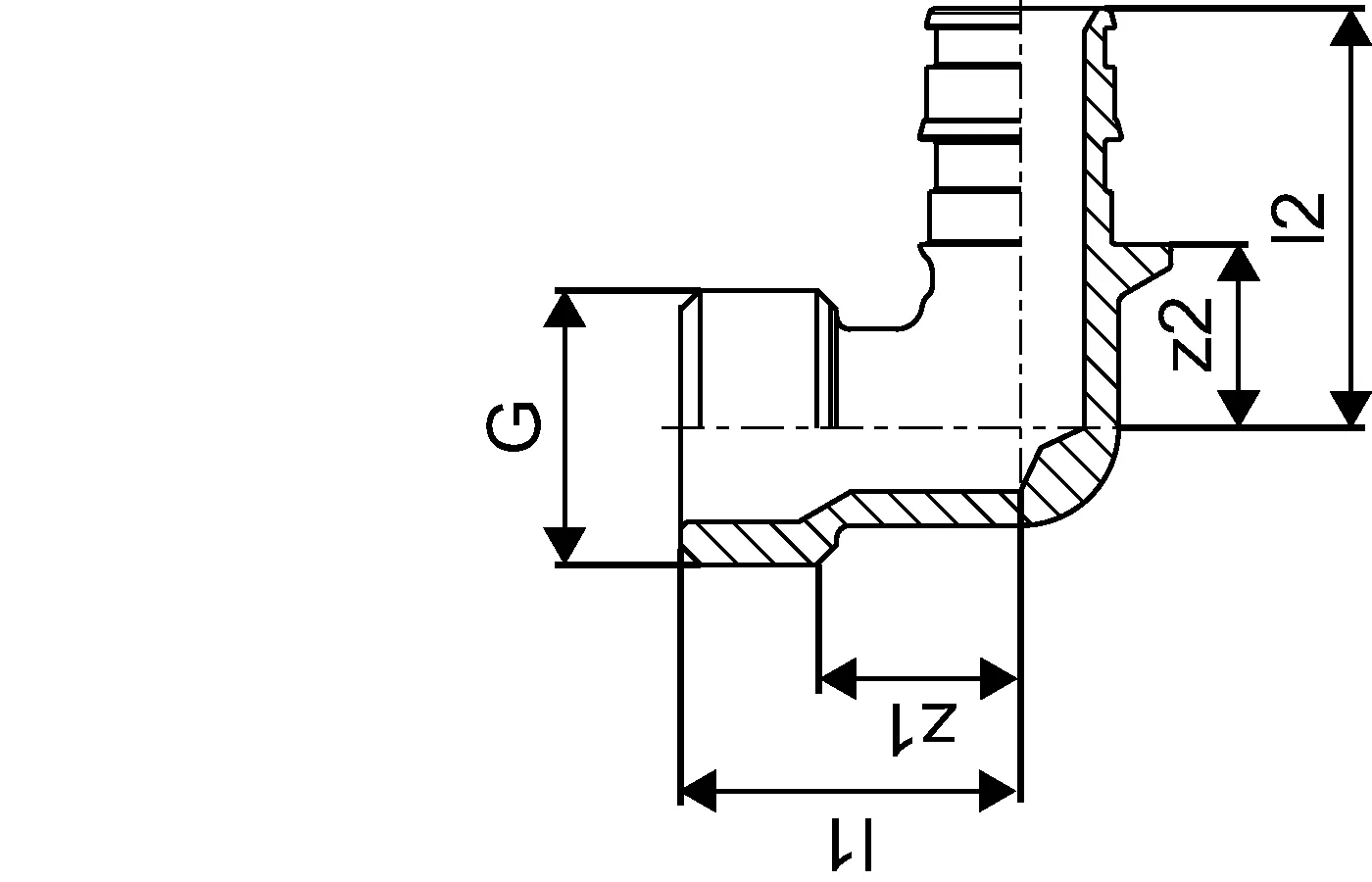
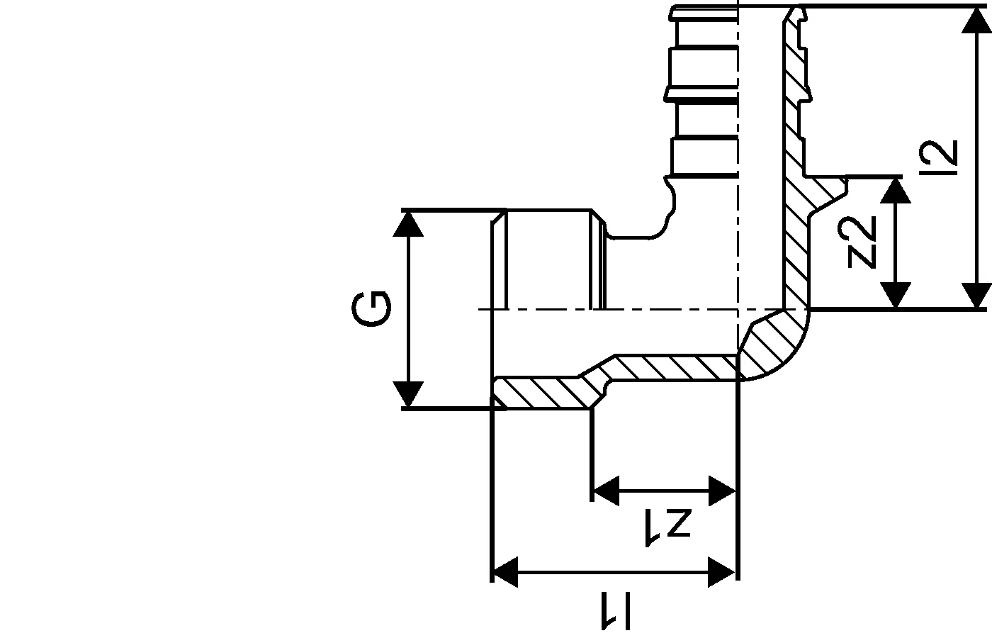
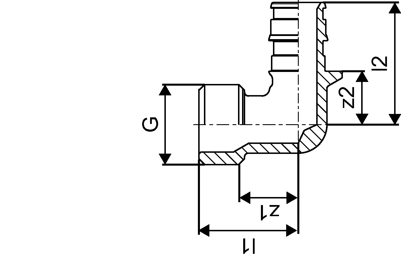
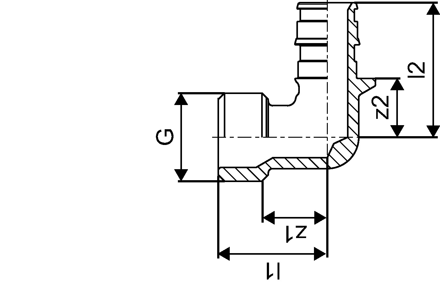
Uponor Q&E elbow adapter male LF 16xG1/2" BSP
Uponor Q&E elbow adapter male LF 20xG1/2" BSP
Uponor Q&E elbow adapter male LF 20xR1/2" BSP
Uponor Q&E elbow adapter male LF 20xG3/4" BSP

Documents

Installation Manual
1 KB1121763

Installation Manual Q&E 9,9-50 (1121763)

Installation Manual
1 KB1062301

Installation Manual Uni Pipe PLUS (1062301)

Technical information
1 KB1118689

Technical Information PE-Xa piping systems (1118689)

Application information

Specification

- Q&E fittings and rings for Uponor Pex pipes
- Metal fittings are made of high quality brass
- Plastic fittings are made of polyphenilsulphone
- Q&E rings must be ordered separately if not different mentioned

Application

if not different mentioned:
- Male and female threads acc.to EN 10226-1.

Product drawings

1126831_ZMD
1126831
123 B
1126832_ZMD
1126832
123 B
1126833_ZMD
1126833
123 B
1126834_ZMD
1126834
123 B
1126831_REN
1126831
140 B
1126832_REN
1126832
140 B
1126833_REN
1126833
140 B
1126834_REN
1126834
149 B
1126831_LAB
1126831
126 B
1126832_LAB
1126832
126 B
1126833_LAB
1126833
126 B
1126834_LAB
1126834
126 B