Fill the BIM cart from the product catalogue

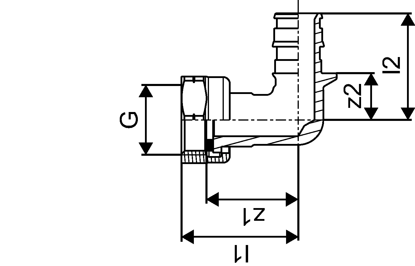
Uponor Q&E elbow swivel nut LF

- Made of leadfree Brass

Uponor Q&E elbow swivel nut LF

Item details

Uponor Q&E elbow swivel nut LF 16x1/2" BSP
Uponor Q&E elbow swivel nut LF 20x1/2" BSP

Documents

Installation Manual
1 KB1121763

Installation Manual Q&E 9,9-50 (1121763)

Installation Manual
1 KB1062301

Installation Manual Uni Pipe PLUS (1062301)

Technical information
1 KB1118689

Technical Information PE-Xa piping systems (1118689)

Application information

Specification

- Q&E fittings and rings for Uponor Pex pipes
- Metal fittings are made of high quality brass
- Plastic fittings are made of polyphenilsulphone
- Q&E rings must be ordered separately if not different mentioned

Application

if not different mentioned:
- Male and female threads acc.to EN 10226-1.

Product drawings

1126826_ZMD
1126826
125 B
1126827_ZMD
1126827
125 B
1126826_REN
1126826
144 B
1126827_REN
1126827
100 B
1126826_LAB
1126826
107 B
1126827_LAB
1126827
107 B