Fill the BIM cart from the product catalogue
Our customer service email addresses have changed - Overview

Uponor Vario S manifold FM

- Supply with flow meter for balancing and shutoff
- Return with valves and caps

Uponor Vario S manifold FM

Item details

Uponor Vario S manifold FM 2X3/4 Euro
Uponor Vario S manifold FM 3x3/4 Euro
Uponor Vario S manifold FM 4x3/4 Euro
Uponor Vario S manifold FM 5x3/4 Euro
Uponor Vario S manifold FM 6x3/4 Euro
Uponor Vario S manifold FM 7x3/4 Euro
Uponor Vario S manifold FM 8x3/4 Euro
Uponor Vario S manifold FM 9x3/4 Euro
Uponor Vario S manifold FM 10x3/4 Euro
Uponor Vario S manifold FM 11x3/4 Euro

Application information

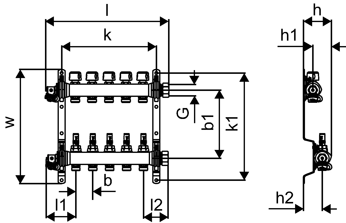
Specification

- Made of stainless steel
- With integrated valves
- Connection right or left with flat sealing
- Integrated airvents and fill&drain points in supply and return,
- Loop connection G3/4" eurocone
- Loop pitch 50 mm
- Header pitch 215 mm

Application

- For underfloor-heating and -cooling
- Applicable with actuators 1141676 (230V) and 1141677 (24V)
- Max. pressure: 6 bar at 60°C

Product drawings

1086538_PHO
1086538_PHO
21 B
1086539_PHO
1086539_PHO
21 B
1086540_PHO
1086540_PHO
21 B
1086541_PHO
1086541_PHO
21 B
1086542_PHO
1086542_PHO
21 B
1086543_PHO
1086543_PHO
21 B
1086544_PHO
1086544_PHO
21 B
1086545_PHO
1086545_PHO
21 B
1086546_PHO
1086546_PHO
21 B
1086547_PHO
1086547_PHO
21 B
1086538_REN
1086538
134 B
1086539_REN
1086539
134 B
1086540_REN
1086540
134 B
1086541_REN
1086541
134 B
1086542_REN
1086542
134 B
1086543_REN
1086543
134 B
1086544_REN
1086544
134 B
1086545_REN
1086545
134 B
1086546_REN
1086546
134 B
1086547_REN
1086547
134 B
1086538_ZMD
1086538
222 B
1086539_ZMD
1086539
222 B
1086540_ZMD
1086540
222 B
1086541_ZMD
1086541
222 B
1086542_ZMD
1086542
222 B
1086543_ZMD
1086543
222 B
1086544_ZMD
1086544
222 B
1086545_ZMD
1086545
222 B
1086546_ZMD
1086546
222 B
1086547_ZMD
1086547
222 B
1086538_LAB
1086538
130 B
1086539_LAB
1086539
130 B
1086540_LAB
1086540
130 B
1086541_LAB
1086541
130 B
1086542_LAB
1086542
130 B
1086543_LAB
1086543
130 B
1086544_LAB
1086544
130 B
1086545_LAB
1086545
130 B
1086546_LAB
1086546
130 B
1086547_LAB
1086547
130 B