Naplňte nákupný košík BIM z katalógu výrobkov

Uponor Combi Port M-Pro skriňa s rozdeľovačom IW

- Nástenná skrinka s nožičkami, vykurovacím potrubím a koľajnicou s predinštalovanými guľovými ventilmi. Nepotrebné obvody je potrebné zapojiť na mieste.
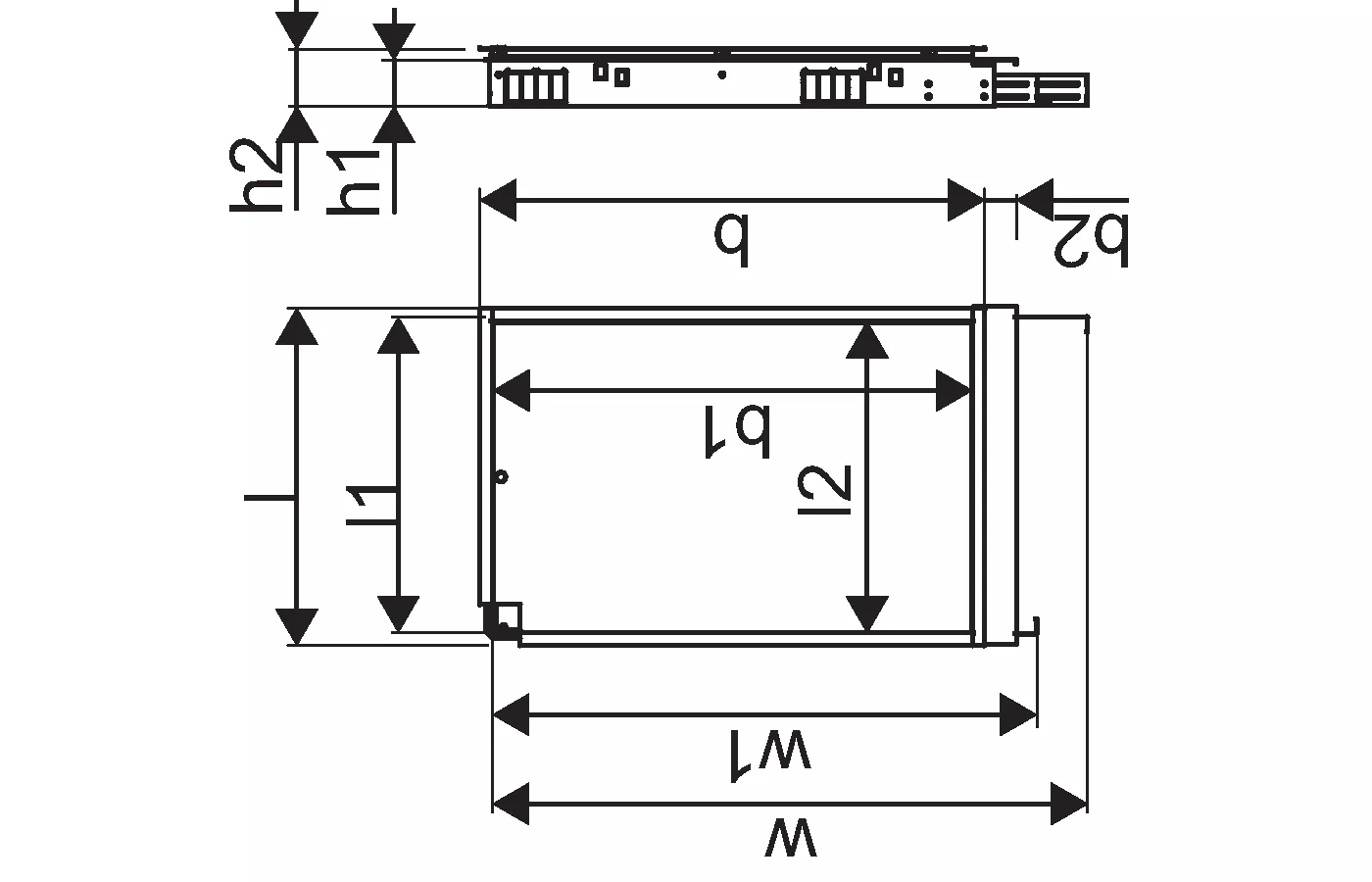
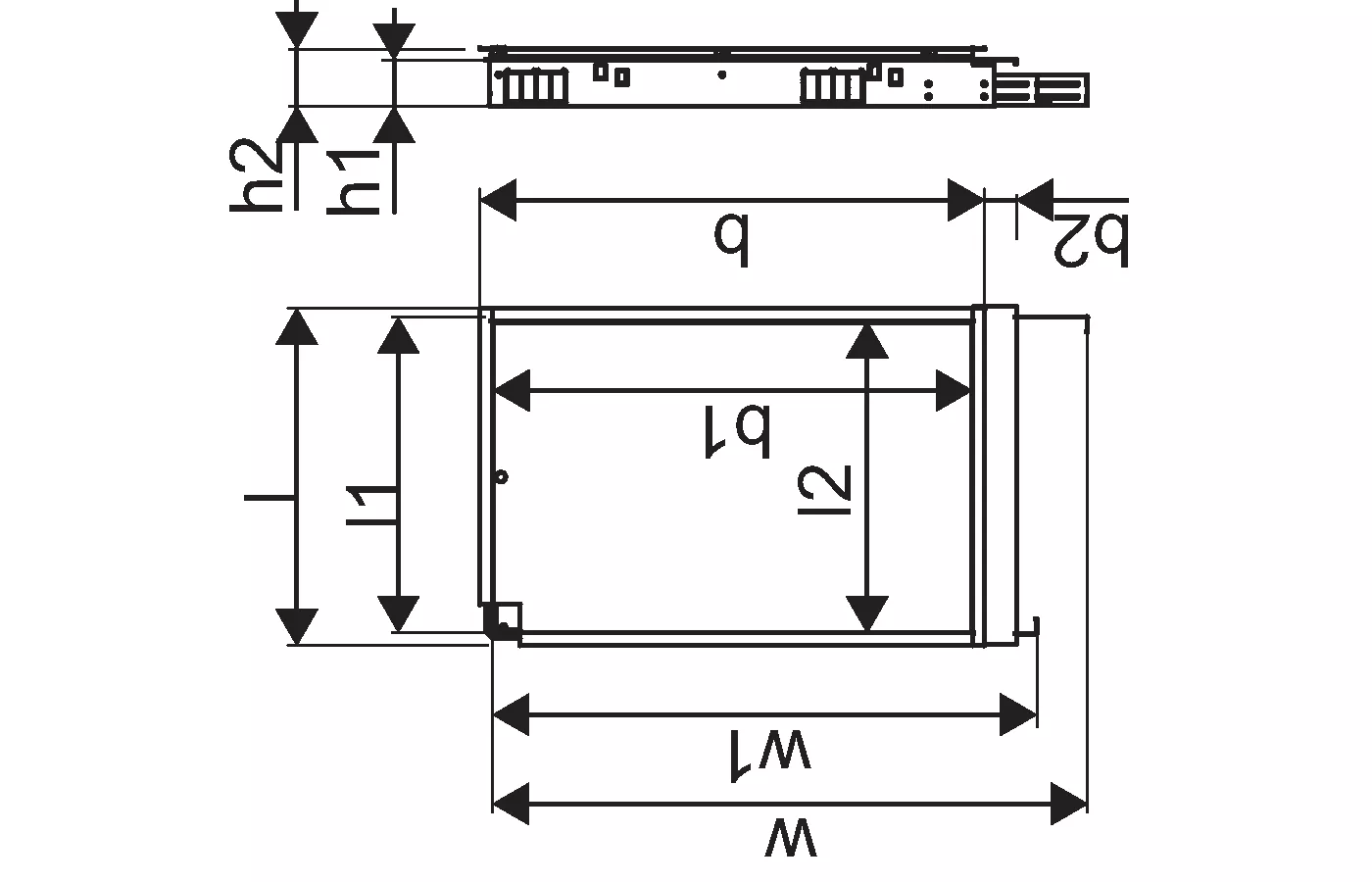
- Kódy rozmerov:
- HMV – súprava rozdeľovačov Vario-S pre vykurovanie s _ (4,6,8,10) vykurovacími okruhmi
- BV – súprava 9 guľových ventilov predinštalovaných na montážnej lište vo vnútri skrinky pre pripojenie tepelného rozhrania

Uponor Combi Port M-Pro skriňa s rozdeľovačom IW

Podrobnosti o položke

Uponor Combi Port M-Pro skriňa s rozdeľovačom IW 1200x750X110mm 4HM+9BV
Uponor Combi Port M-Pro skriňa s rozdeľovačom IW 1200x750X110mm 6HM+9BV
Uponor Combi Port M-Pro skriňa s rozdeľovačom IW 1200x750X110mm 8HM+9BV
Uponor Combi Port M-Pro skriňa s rozdeľovačom IW 1200x750X110mm 10HM+9BV

Dokumenty

Návod na montáž a prevádzku
10 KB1143448

Návod na montáž a prevádzku Combi Port M-Pro (1143448)

O produkte

Špecifikácia

- kompletne zmontované a tlakovo odskúšané
- technické limity použitia pre vodu na vykurovanie a inštalatérstvo sú uvedené v technických listoch
- potrubné svorky vyrobené z plastu na ochranu proti hluku a tepelné oddelenie
- DVGW certifikovaný PM ventil s patentovanou technológiou trojitého tesnenia
- tepelná izolácia na prívodnom potrubí
- termostatický obtokový ventil
- výstup studenej vody
- pripojenie pre merač tepla 110 mm x 3/4""
- pripojenie pre vodomer 110 mm x 3/4""
- odvzdušňovací a vypúšťací ventil
- sitko na studenú vodu 0,5 mm
- sitko pre primárne vedenie vykurovania 0,5 mm
- Možnosť pripojenia (označené) elektrického uzemňovacieho oka
- max. prevádzkový tlak vykurovania: PN10
- max. prevádzkový tlak sanitárnej vody: PN10
- max. prevádzková teplota: 85 °C
- max. diferenčný tlak primárneho ohrevu: 2,5 bar
- min. sanitárny tlak: 2,0 bar
- materiál tvaroviek sanitárnej časti: CW617N
- materiál tvaroviek časti pre vykurovanie: CW617N, CW614N
- materiál potrubia: nehrdzavejúca oceľ 1.4401
- rozmery: š/v/h 556 x 620 x 110 mm

Aplikácia

- Decentralizovaná okamžitá príprava teplej vody pre domácnosti
- Podlahové vykurovacie systémy
- Radiátorové vykurovacie systémy

Certifikácia

- schválenie DVGW

Výkresy produktov

1093815_ZMD
1093815
170 B
1093816_ZMD
1093816
169 B
1093817_ZMD
1093817
187 B
1093818_ZMD
1093818
192 B
1093815_REN
1093815
74 B
1093816_REN
1093816
76 B
1093817_REN
1093817
76 B
1093818_REN
1093818
87 B
1093818_REN
1093818
77 B
1093815_LAB
1093815
90 B
1093816_LAB
1093816
101 B
1093817_LAB
1093817
100 B
1093818_LAB
1093818
102 B