Naplňte nákupný košík BIM z katalógu výrobkov
Zmenila sa e-mailová adresa nášho zákazníckeho servisu – Prehľad

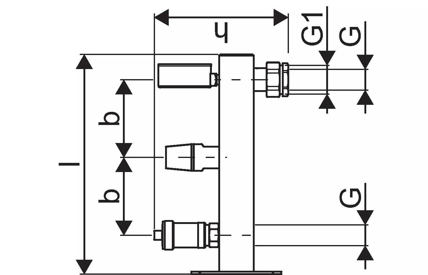
Uponor Fluvia bezpečnostná súprava

- s manometrom, poistným ventilom a automatickým odvzdušňovačom
- s pevnou spojkou G3/4 do expanznej nádoby
- pre montáž na stenu
- materiál: oceľ s práškovým nástrekom, červená farba

Uponor Fluvia bezpečnostná súprava

Podrobnosti o položke

Uponor Fluvia bezpečnostná súprava 3bar

Dokumenty

Montážny návod
436 B1137613

Montážny návod Fluvia safety sets (1137613)

O produkte

Špecifikácia

- Predmontované
- Skupiny čerpadiel Fluvia Move s regulátorom teploty prívodu Uponor Smatrix Move
- Fluvia T môže byť inštalovaná pomocou konzol vľavo alebo vpravo na inštalácii

Aplikácia

- Max. primárna teplota: 90°C
- Max. sekundárna teplota: 55 - 60°C

Výkresy produktov

1136376_REN
1136376
106 B
1136376_LAB
1136376
75 B
1136376_ZMD
1136376
134 B