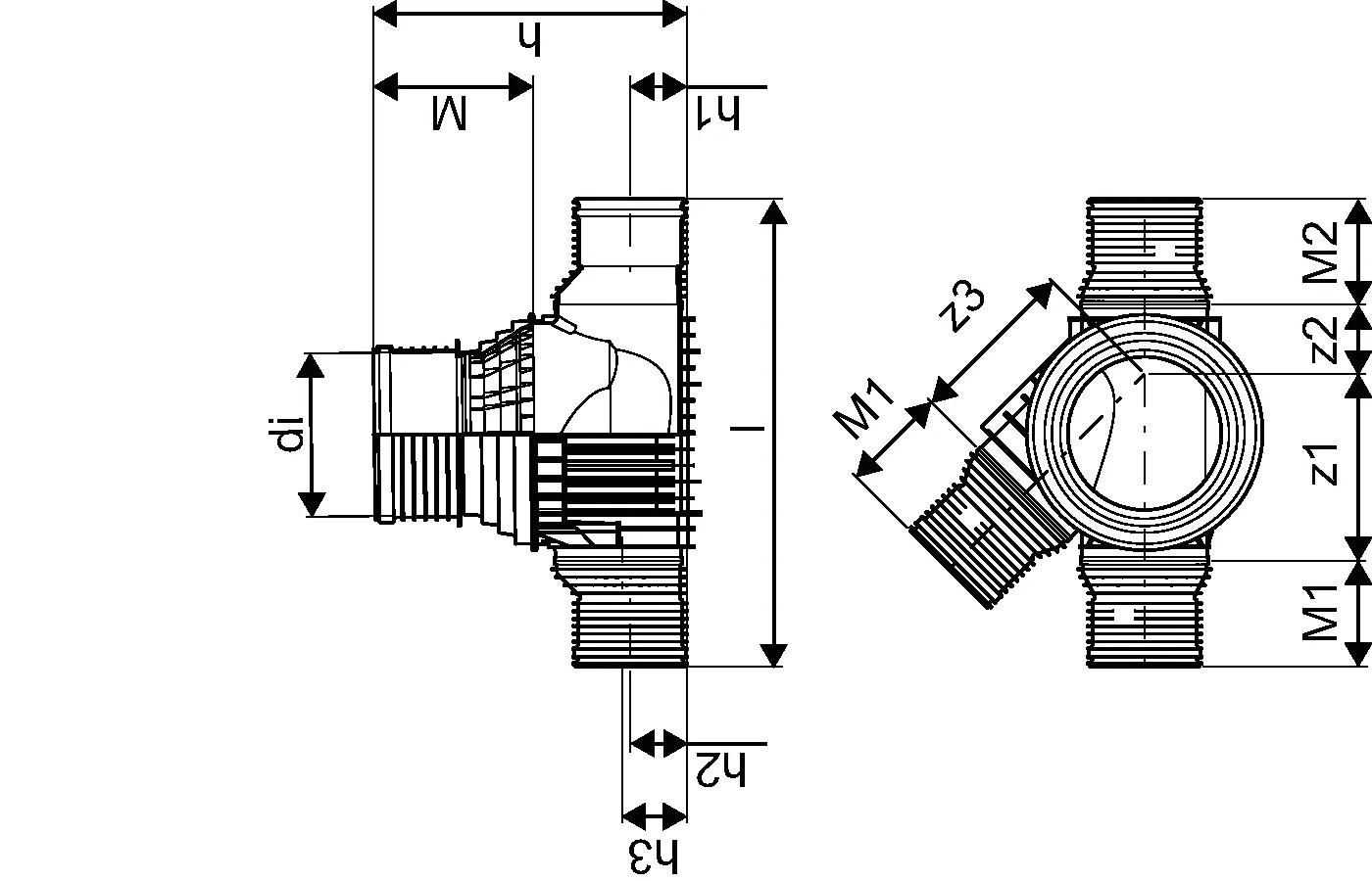
INSPEKSJONSKUM 400/250MM T4 PP HØYRE FOR GLATT STIGERØR

INSPEKSJONSKUM 400/250MM T4 PP HØYRE FOR GLATT STIGERØR
Delnr.1054353

Varedetaljer

Tekniske data

Produkt nr NRF3220183
Produkt Høyde810 mm
Produkt Vekt12,2 kg
Produkt Bredde900 mm
måleenhetSTK
Z-mål M390 mm

Dokumenter

Environmental Product Declaration (EPD)
640 B0000121889

ENVIRONMENTAL PRODUCT DECLARATION