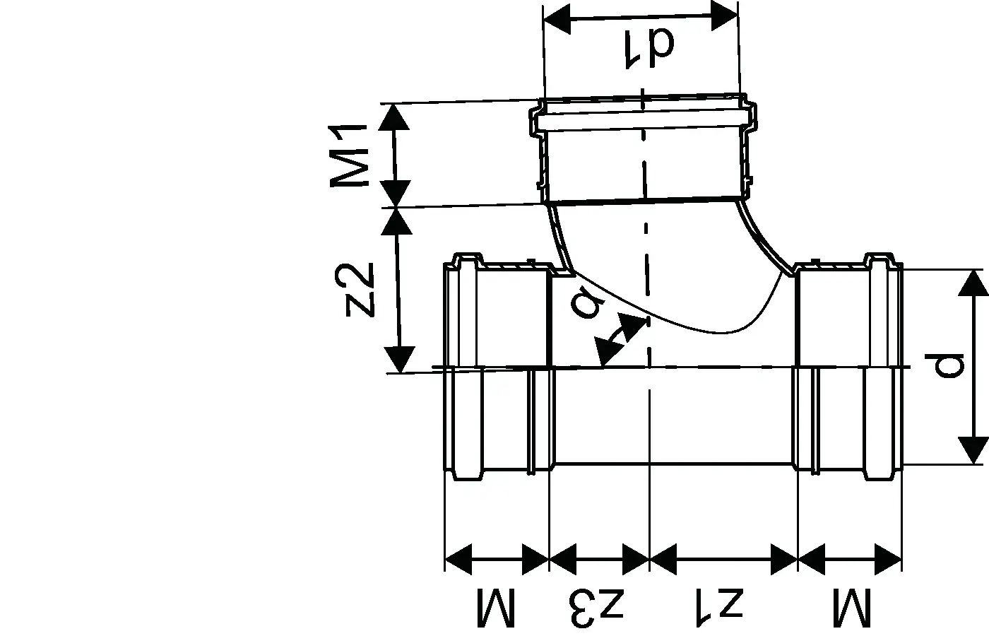
MARKAVLOPP PP GRENRÖR 110/110X88,5 SVÄNGD 3M FAST RING

Med tre muffar, svängt utförande och oljebeständig tätningsring.

MARKAVLOPP PP GRENRÖR 110/110X88,5 SVÄNGD 3M FAST RING
Delnummer1050100

Artikeldetaljer

Teknisk data

RSK nr2354016
Vikt0,426 kg
Bredd128 mm
Höjd (mm)259 mm
Artikel (måttenhet)st

Dokument

2D Customer Drawings
79 B0000095246

Mounting dimensions Socket branch 88,5 deg swept