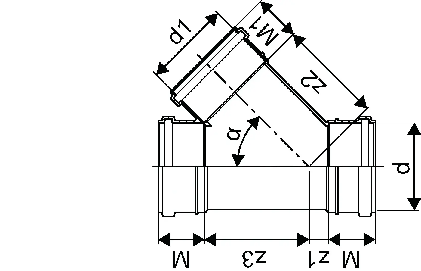
MARKAVLOPP PP GRENRÖR 3 MUFF 110/110X45 3M FAST RING

Med tre muffar och oljebeständig tätningsring.

MARKAVLOPP PP GRENRÖR 3 MUFF 110/110X45 3M FAST RING
Delnummer1050097

Artikeldetaljer

Teknisk data

RSK nr2353954
Vikt0,477 kg
Bredd128 mm
Höjd (mm)276 mm
Artikel (måttenhet)st

Dokument

2D Customer Drawings
79 B0000095238

Mounting dimensions Socket branch 45 deg